Zajadacz EVI

ALRE-IT Lufterhitzerthermostat JTL-8 NR

mech. Brenner 70-95°C TW E6120038

Artikel
3823918
Lieferanten Typ
JTL-8 NR
Lieferanten Artikel
E6120038

Beschreibung

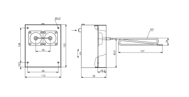
Minimal- oder Maximalthermostat zur Zuluftüberwachung und Ventilatorregelung in Lüftungs- und Klimaanlagen. Bauartgeprüft durch TÜV nach DIN EN 14597. Für Warmlufterhitzer nach DIN 4794. Fühlerbruch: Bei Fühlerbeschädigung oder Fühlerbruch öffnen die Kontakte 1 und 4 des Ventilators. Eigensicherheit/Kälteschutz: Die Geräte sind eigensicher, d. h. bei Verlust des Fühlermediums z. B. durch Fühlerbruch, wird der Brenner abgeschaltet. Da Minustemperaturen durch Volumenverringerung des Fühlermediums denselben Effekt erzeugen, werden die Geräte mittels der ·Kälteschraube“ so justiert, dass sie erst bei Temperaturen unter –15 °C den Brenner abschalten. Die Wiedereinschaltung kann nur manuell bei höheren Temperaturen als ca. –5 °C mittels der Handrückstelltaste erfolgen. Überhitzungsschutz: Das Gerät schützt vor unkontrollierter Überhitzung, verursacht z. B. durch Wärmestau oder durch schleichenden Kapillarfüllverlust bei nicht sichtbaren Beschädigungen des Fühlers oder des Kapillarrohres etc. Bei Erreichen einer Temperatur von 220 °C schmilzt das Sicherheitslot im Fühler und das Gerät schaltet, durch Verlust des Füllmediums, den Brenner zur sicheren Seite hin ab. Der Brenner ist nicht wiedereinschaltbar. Das Gerät ist dann unbrauchbar und dient als Nachweis der vorhanden gewesenen Übertemperatur von mindestens 220 °C. Temperaturgesteuerte Ventilatorregelung, Brennerüberwachung und Sicherheitstemperaturbegrenzer, 3 Funktionen.

Hersteller-Seite

Artikeleigenschaften

Zolltarif-Nr.
90321080
Ursprungs-Land
DE
WEEE-Land
DE
WEEE-Nummer
58457361
Geeignet als Wächter
Geeignet als Begrenzer
Max. Betriebstemperatur
80 °C
Schaltdifferenz der Temperatur
8 °C
Mediumtemperatur
-15 - 115 °C
Ausführung des Sensors
Kapillarrohr
Anzahl der Kontakte als Wechsler
3
Ausführung des elektrischen Anschlusses
Schraubanschluss
Schutzart (IP)
IP20
Elektronische Ausführung
Explosionsgeschützt
ETIM-Klasse
Temperaturschalter

Oft zusammen gekauft