Zajadacz EVI

ALRE-IT Lufterhitzerthermostat JTU-50

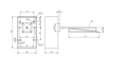
-25-65°C TW Fühlerlänge 350mm E6100000

Artikel
3823917
Lieferanten Typ
JTU-50
Lieferanten Artikel
E6100000

Beschreibung

Minimal- oder Maximalthermostat zur Zuluftüberwachung und Ventilatorregelung in Lüftungs- und Klimaanlagen. Überhitzungsschutzthermostat für elektrische Heizregister und direkt befeuerte Lufterhitzer im Öl- und Gasbetrieb.

Hersteller-Seite

Artikeleigenschaften

Zolltarif-Nr.
90321080
Ursprungs-Land
DE
WEEE-Land
DE
WEEE-Nummer
58457361
Geeignet als Wächter
Max. Betriebstemperatur
80 °C
Schaltdifferenz der Temperatur
1,5 °C
Mediumtemperatur
-15 - 75 °C
Ausführung des Sensors
Kapillarrohr
Anzahl der Kontakte als Wechsler
1
Ausführung des elektrischen Anschlusses
Schraubanschluss
Schutzart (IP)
IP40
Elektronische Ausführung
Explosionsgeschützt
ETIM-Klasse
Temperaturschalter

Oft zusammen gekauft