Zajadacz EVI

ALRE-IT Peltierregler KTRRN-267.014

Heizen u.Kühlen DA460002

Artikel
6649242
Lieferanten Typ
KTRRN-267.014
Lieferanten Artikel
DA460002

Beschreibung

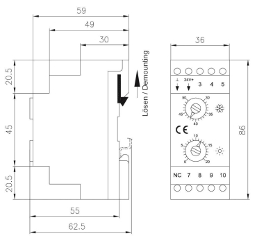
Dieser Regler für die Ansteuerung von Peltiermodulen mit Lüfter zur Klimatisierung von Schaltschränken. Der KTRRN verfügt über zwei Regelbereiche für die Funktionen Heizen und Kühlen. Im unteren Einstellbereich wird der Schaltpunkt für Heizen, im oberen Einstellbereich der Schaltpunkt für Kühlen gewählt. Die Einstellbereiche sind durch einen Bereich von 10 K getrennt.

Hersteller-Seite

Artikeleigenschaften

Zolltarif-Nr.
90321020
Ursprungs-Land
DE
WEEE-Land
DE
WEEE-Nummer
58457361
Ausführung
Thermostat
Bemessungsspannung DC
24 - 24 V
Bemessungsstrom In
16 A
Einstellbereich Temperatur
0 - 50 °C
Montageart
Klemmbefestigung
Ausführung der Schaltfunktion
Wechsler (NO/NC)
ETIM-Klasse
Steuerung Klimatisierung (Schaltschrank)

Zubehör

Oft zusammen gekauft