Zajadacz EVI

ALRE-IT Schaltschrank- ITR 79.503

temperaturregler Heizen D4780524

Artikel
3901547
Lieferanten Typ
ITR 79.503
Lieferanten Artikel
D4780524

Beschreibung

Elektronischer Temperaturregler zur Regelung und Überwachung der Temperatur in Hallen, Gewächshäusern und Fußbodenheizungen. Frostschutz verriegelt bei fallender Temperatur. Das Gerät verfügt über eine Fühlerbruch- und Fühlerkurzschlusssicherung sowie eine Anzeige "Heizen". Fühler gehören nicht zum Lieferumfang. Alle Fühler mit der Nummer 0 können eingesetzt werden, z. B. KF-0. Hysterese ca. 1,5 K.

Hersteller-Seite

Artikeleigenschaften

Zolltarif-Nr.
90321020
Ursprungs-Land
DE
WEEE-Land
DE
WEEE-Nummer
58457361
Sensortyp
Fernfühler
Bemessungsspannung
230 - 230 V
Einstellbereich Komfort
0 - 11 °C
Kontaktausführung
Wechsler (NO/NC)
Nennschaltstrom bei 250 V, potentialfrei
10 A
Schutzart (IP)
IP20
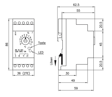
Bautiefe
62,5 mm
ETIM-Klasse
Temperaturregler Reiheneinbau

Zubehör

Oft zusammen gekauft