Zajadacz EVI

ALRE-IT VOORL-215.053

Klima-Klemmenleiste DA490310

Artikel
6649236
Lieferanten Typ
VOORL-215.053
Lieferanten Artikel
DA490310

Beschreibung

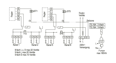
Dieses Gerät wurde speziell zur schnellen, übersichtlichen und komfortablen Verdrahtung von 230 VAC Einzelraum-Temperaturreglern mit den zugehörigen Ventilstellantrieben zur ortsfesten Montage entwickelt. Die Heizen-/Kühlen-Umschaltung erfolgt über einen zentralen Kontakt. Als Regler können Heizungsregler mit Umschaltkontakt angeschlossen werden. Hohe Zeit- und Kostenersparnis durch die komfortable Verdrahtung durch schraubenlose Federsteckklemmen sowie die genial schnelle und saubere Montage im Heizkreisverteiler durch die optionalen Magnetfüße. Durch die Verwendung von einem Uhrenregler kann eine Master-Slave-Zeitzone gebildet werden. Die Zeitzone kann auch über einen externen Schaltkontakt an Klemme U auf ECO-Funktion umgeschaltet werden.

Hersteller-Seite

Artikeleigenschaften

Zolltarif-Nr.
90321020
Ursprungs-Land
DE
WEEE-Land
DE
WEEE-Nummer
58457361
Versorgungsspannung
230 V
Ausgangsspannung
230 V
Anzahl der Kanäle/Zone
5
Geeignet für Heizung
Geeignet für Kühlen
Kontaktausführung
Schließer (NO)
Max. Spannung der Kontakte
230 V
Max. Kontaktbelastung
3 A
Schutzart (IP)
IP20
Breite
175 mm
Höhe
90 mm
Tiefe
55 mm
ETIM-Klasse
Zonenregler

Zubehör

Oft zusammen gekauft