Zajadacz EVI

ALRE-IT Schaltschrank- ITR 79.600

temperaturregler 2xHeizen D4780508

Artikel
3901549
Lieferanten Typ
ITR 79.600
Lieferanten Artikel
D4780508

Beschreibung

Elektronischer Temperaturregler speziell zur Raumtemperaturregelung mittels Fernfühler. Dieses Gerät verfügt über zwei getrennte Sollwertsteller, die es ermöglichen einen Raum mit zwei unterschiedlichen Temperaturen durch Handumschaltung oder in zeitlicher Abhängigkeit (z. B. mittels Schaltuhr) zu regeln. Die Umschaltung zwischen den Sollwerten erfolgt über einen externen potentialfreien Kontakt. Das Gerät verfügt über eine Fühlerbruch- und Fühlerkurzschlusssicherung. Fühler gehören nicht zum Lieferumfang. Alle Fühler mit der Nummer 2 können eingesetzt werden, z. B. KF-2. Hysterese ca. 0,5 K.

Hersteller-Seite

Artikeleigenschaften

Zolltarif-Nr.
90321020
Ursprungs-Land
DE
WEEE-Land
DE
WEEE-Nummer
58457361
Sensortyp
Fernfühler
Bemessungsspannung
230 - 230 V
Einstellbereich Komfort
5 - 30 °C
Kontaktausführung
Wechsler (NO/NC)
Nennschaltstrom bei 250 V, potentialfrei
10 A
Schutzart (IP)
IP20
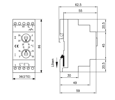
Bautiefe
62,5 mm
ETIM-Klasse
Temperaturregler Reiheneinbau

Zubehör

Oft zusammen gekauft