Zajadacz EVI

BALS Anbaugerätestecker TE mit NG 27027

32A 4p 380V bis 440V 3h IP67 27027

Artikel
278442
Lieferanten Typ
27027
Lieferanten Artikel
27027

Beschreibung

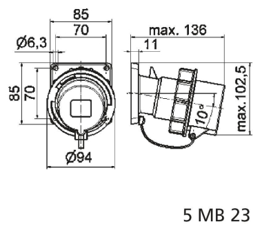
Anbaugerätestecker TE geneigt 32A 4p (3P+PE) 380 und 440V (380V~(50Hz) 440V~(60Hz)) 3h IP67 Frequenz: 50/60Hz Technische Kennfarbe: rot RAL 3000 Kontaktträger/Kontakte: Der Kontaktträger ist aus hochwärmebeständigem Material, Die Kontakte sind Messing vernickelt Maximaler Leiterquerschnitt: 6,0 qmm Gehäusematerial: Polyamid Anschlusstechnik: mit Schraubklemme Kabeleinführung: sonstige Gerätefarbe: Kragen rot RAL 3000, Gehäuse grau RAL 7035, Bajonettring grau RAL 7035, Verschlusshaube grau RAL 7035 Gerätehöhe: 104 mm, Gerätebreite: 94 mm, Gerätetiefe: 136 mm Flanschmaß vertikal: 85 mm, Flanschmaß horizontal: 85 mm Bohrlochabstand vertikal: 70 mm, Bohrlochabstand horizontal: 70 mm Sonstige technische Eigenschaften: Die Neigung beträgt 10°, Mit Verschlußhaube

Hersteller-Seite

Artikeleigenschaften

Zolltarif-Nr.
85366990
Reach
2023-09-05 - Ja
Ursprungs-Land
DE
WEEE-Land
DE
WEEE-Nummer
34919455
IEC-Stromstärke
32 A
Spannung nach EN 60309-2
sonstige
Polzahl
4
Uhrzeit-Stellung
3 h
Kennfarbe
rot
RAL-Nummer
3000
Schutzart (IP)
IP67
Anschlusstechnik
Schraubklemme
Bauform
Anbaugerätestecker
Phasenwender
Steckrichtung
abgewinkelt
Werkstoff
Kunststoff
Kontaktmaterial
CuZn
Oberflächenbehandlung Kontakte
vernickelt
Militärausführung
ETIM-Klasse
CEE-Gerätestecker (IEC 60309)

Zubehör

Oft zusammen gekauft