Zajadacz EVI

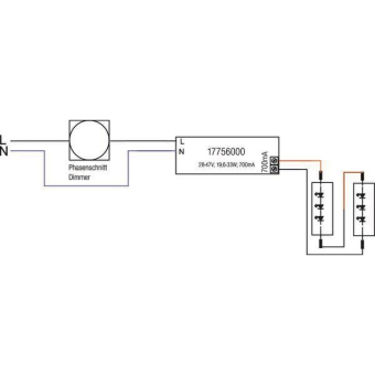
BRUM LED-Konverter 700mA 33W, 17756000

dimmbar Phase inkl. Plug&Play 17756000

Artikel
5705252
Lieferanten Typ
17756000
Lieferanten Artikel
17756000

Beschreibung

LED-Konverter 700 mA, Phasenabschnitt dimmbar. . Material: Kunststoff, Schutzart: nach DIN EN 60529: IP20, Schutzklasse: (EN 61140) II, Strom: 700 mA, Spannung: 230V AC 50Hz, Leistung: 19,6-33 W, Dimmbar: Ja, Art der Dimmung: Phasenabschnitt,

Artikeleigenschaften

Ursprungs-Land
DE
WEEE-Land
DE
WEEE-Nummer
71342000
Ausführung
dynamisch
Dimmung 0-10 V
Dimmung 1-10 V
Dimmung DALI
Dimmung DSI
Dimmung DMX
Dimmung Potenziometer (geräteintegriert)
Dimmung GPRS
Dimmung LineSwitch
Dimmung herstellerspezifisch
Dimmung Netzspannungsmodulation
Dimmung Phasenabschnitt
Dimmung Phasenanschnitt
Dimmung programmierbar
Dimmung RF
Dimmung Sine Wave Reduction
Dimmung Touch and Dim
Dimmung Zigbee
Dimmung mit Push-button
Ohne Dimmfunktion
Ausgangsstrom
700 - 700 mA
Ausgangsleistung
19.6 - 33 W
Schutzart (IP)
IP20
Schutzklasse
II
ETIM-Klasse
LED-Betriebsgerät