Zajadacz EVI

Brumberg LED-Anbauprofil 73607080

53607080, konfektioniert

Artikel
6495527
Lieferanten Typ
73607080
Lieferanten Artikel
73607080

Beschreibung

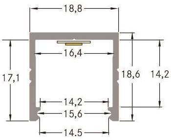
LED-Anbauprofil, Segment 100 mm, schwarz eloxiert. Zur optimalen Befestigung des Profiles eignen sich die Halter 53027080 53027260. In Verbindung mit den Profilabdeckungen 73440000 73440070 73440080 kann sowohl ein zusätzlicher mechanischer Schutz als auch eine optimale Lichtverteilung erreicht werden. Das zugehörige Endkappen-Set steht unter 53089080 zur Verfügung. Montageart: Anbauprofil, Material: Aluminium, Abmessung Profil: L: 100 mm x B: 18,8 mm x H: 18,6 mm

Hersteller-Seite

Artikeleigenschaften

Zolltarif-Nr.
76109090
Ursprungs-Land
PL
WEEE-Land
DE
WEEE-Nummer
71342000
Art des Zubehörs/Ersatzteils
sonstige
Zubehör
Ersatzteil
Transparent
Farbe
schwarz
Werkstoff
Aluminium
Länge
100 mm
Breite
18,8 mm
Höhe
18,6 mm
ETIM-Klasse
Mechanisches Zubehör/Ersatzteile für Leuchten