Zajadacz EVI

Brumberg LED-Anbauprofil, alu 53607260

eloxiert

Artikel
6495468
Lieferanten Typ
53607260
Lieferanten Artikel
53607260

Beschreibung

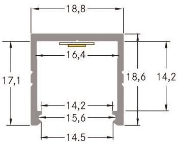
LED-Anbauprofil, 2.000 mm, alu eloxiert. Zur optimalen Befestigung des Profiles eignen sich die Halter 53027080 53027260. In Verbindung mit den Profilabdeckungen 53440000 53440070 53440080 kann sowohl ein zusätzlicher mechanischer Schutz als auch eine optimale Lichtverteilung erreicht werden. Das zugehörige Endkappen-Set steht unter 53089260 zur Verfügung. Montageart: Anbauprofil, Material: Aluminium, Abmessung Profil: L: 2.000 mm x B: 18,8 mm x H: 18,6 mm

Hersteller-Seite

Artikeleigenschaften

Zolltarif-Nr.
76109090
Ursprungs-Land
PL
WEEE-Land
DE
WEEE-Nummer
71342000
Art des Zubehörs/Ersatzteils
sonstige
Zubehör
Ersatzteil
Transparent
Farbe
Aluminium
Werkstoff
Aluminium
Länge
2000 mm
Breite
18,8 mm
Höhe
18,6 mm
ETIM-Klasse
Mechanisches Zubehör/Ersatzteile für Leuchten