Zajadacz EVI

DEHN 923230 AB EXFS IF3 G 30

ABEXFSIF3G30 Anschlussbügel IF3 gerade

Artikel
3918806
Lieferanten Typ
AB EXFS IF3 G 30
Lieferanten Artikel
923230

Beschreibung

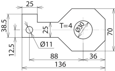
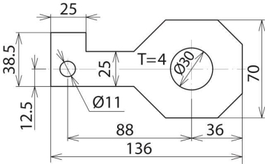
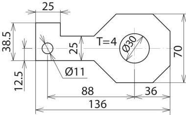
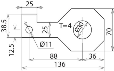
Gerader Anschlussbügel für EXFS. Durchmesser entspricht Bolzendurchmesser der Flanschverschraubung.

Hersteller-Seite

Artikeleigenschaften

Zolltarif-Nr.
85369095
Ursprungs-Land
DE
WEEE-Land
DE
WEEE-Nummer
11890845
Art des Zubehörs/Ersatzteils
Montagebügel
Zubehör
Ersatzteil
ETIM-Klasse
Zubehör/Ersatzteile für Überspannungsschutz Informations-/MSR-Technik