Zajadacz EVI

DEHN Anschlussbügel IF3 AB EXFS IF3 G 36

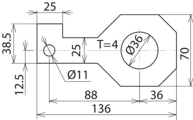
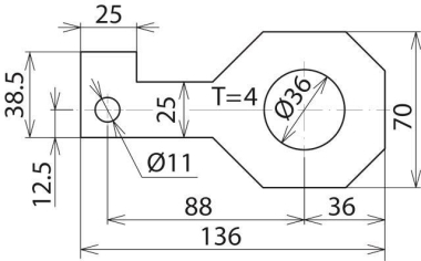
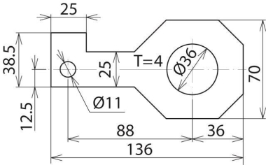
gerade Bohrdurchmesser d1 36 mm

Artikel
3918808
Lieferanten Typ
AB EXFS IF3 G 36
Lieferanten Artikel
923236

Beschreibung

Gerader Anschlussbügel für EXFS. Durchmesser entspricht Bolzendurchmesser der Flanschverschraubung.

Hersteller-Seite

Artikeleigenschaften

Zolltarif-Nr.
85369095
Ursprungs-Land
DE
WEEE-Land
DE
WEEE-Nummer
11890845
Art des Zubehörs/Ersatzteils
Montagebügel
Zubehör
Ersatzteil
ETIM-Klasse
Zubehör/Ersatzteile für Überspannungsschutz Informations-/MSR-Technik