Zajadacz EVI

DEHN DCOR L 3P 275 SO LTG

Überspannungsableiter Typ 2 DEHNcord 3p

Artikel
4855426
Lieferanten Typ
DCOR L 3P 275 SO LTG
Lieferanten Artikel
900445

Beschreibung

DEHNcord Zweipoliger oder Einpoliger Überspannungs-Ableiter
in kompakter Bauform
Zweipoliger oder einpoliger Überspannungs-Ableiter in kompakter Bauform.
Zum Schutz von Niederspannungs-Verbraucheranlagen vor Überspannungen. Zum Einsatz im Blitz-Schutzzonen-Konzept an Schnittstellen 0B–1 und höher.
Ableiter Typ 2 nach EN 61643-11
· Universell und flexibel einsetzbarer Überspannungs-Ableiter
· Energetisch koordiniert innerhalb der Red/Line-Produktfamilie
· Funktions- / Defektanzeige durch grün-rote Markierung im Sichtfenster
· Zum Einsatz in Geräteeinbaudosen, Unterflursystemen und Kabelkanälen
· Durch kompakte Abmessungen geeignet zum Schutz von elektrischen und elektronischen Verbrauchern in Endstromkreisen
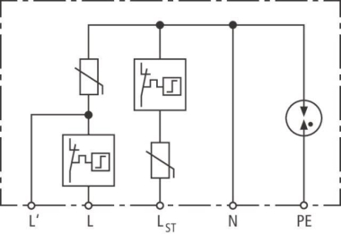
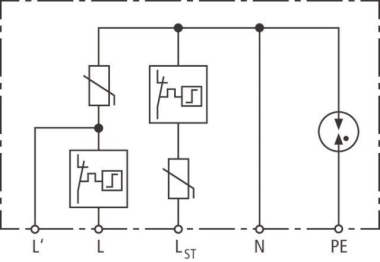
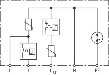
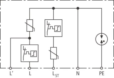
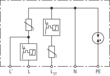
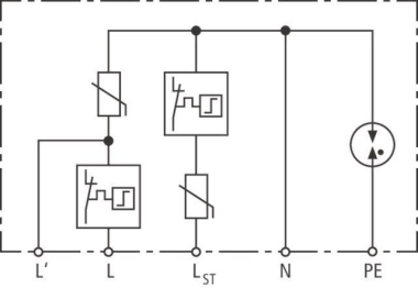
DEHNcord L 3P Dreipolig, kompakte Ausführung;
zum Einsatz in allen Installationssystemen
Dreipoliger Überspannungsableiter DEHNcord L, Typ 2 nach EN 61643-11, in kompakter Bauform zum Einsatz in Kabelübergangskästen von LED-Mastleuchten mit Abschaltung des Laststromkreises im Fehlerfall und Schutz der Steuerphase. Zum Einsatz im Blitz-Schutzzonen-Konzept an den Schnittstellen 0B-1 und höher.

Hersteller-Seite

Artikeleigenschaften

Zolltarif-Nr.
85363030
Reach
2026-02-26 - Ja
Ursprungs-Land
RO
WEEE-Land
DE
WEEE-Nummer
11890845
Netzform DC
Netzform IT
Netzform TN
Netzform TN-C
Netzform TN-C-S
Netzform TN-S
Netzform TT
Netzform sonstige
Anzahl der Leiter (ohne Erde)
3
Nennableitstoßstrom (8/20)
5 kA
Max. Ableitstoßstrom (8/20)
10 kA
Nennspannung AC
230 V
Höchste Dauerspannung AC
275 V
Schutzpegel L-N
1,5 kV
Schutzpegel N-PE
1,5 kV
Max. Überstromschutzeinrichtung Stichverdrahtung (Sicherung)
16 A
Kurzschlussfestigkeit (Isccr)
6 kA
Integrierter Kurzschlussschutz
Integrierte Vorsicherung
Leckstromfrei
Montageart
Direktmontage
Mit Fernmeldekontakt
Signalisierung am Gerät
optisch
Prüfklasse Typ 2
Schutzart (IP)
IP20
ETIM-Klasse
Überspannungsableiter für Energietechnik/Stromversorgung

Oft zusammen gekauft