Zajadacz EVI

DEHN DG M TNS 150 FM

Überspannungsableiter Typ 2 DEHNguard M

Artikel
3218905
Lieferanten Typ
DG M TNS 150 FM
Lieferanten Artikel
952408

Beschreibung

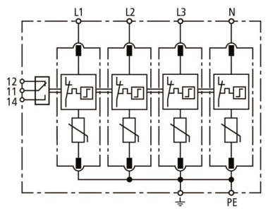
Mehrpoliger Überspannungsableiter DEHNguard M, Typ 2 nach EN 61643-11, bestehend aus Basisteil und gesteckten Schutzmodulen. Hohe Gerätesicherheit durch Ableiterüberwachung mit Thermo-Dynamik-Control. Zum Schutz von Niederspannungs-Verbraucheranlagen vor Überspannungen. Zum Einsatz im Blitz-Schutzzonen-Konzept an den Schnittstellen 0B – 1 und höher.

Hersteller-Seite

Artikeleigenschaften

Zolltarif-Nr.
85363030
Reach
2025-07-16 - Ja
Ursprungs-Land
DE
WEEE-Land
DE
WEEE-Nummer
11890845
Netzform DC
Netzform IT
Netzform TN
Netzform TN-C
Netzform TN-C-S
Netzform TN-S
Netzform TT
Netzform sonstige
Anzahl der Leiter (ohne Erde)
4
Nennableitstoßstrom (8/20)
15 kA
Max. Ableitstoßstrom (8/20)
40 kA
Nennspannung AC
120 V
Höchste Dauerspannung AC
150 V
Schutzpegel
0,7 kV
Schutzpegel N-PE
0,7 kV
Max. Überstromschutzeinrichtung Stichverdrahtung (Sicherung)
125 A
Max. Überstromschutzeinrichtung V-Verdrahtung (Sicherung)
100 A
Kurzschlussfestigkeit (Isccr)
50 kA
Integrierter Kurzschlussschutz
Integrierte Vorsicherung
Leckstromfrei
Montageart
Hutschiene TH35
Baugröße
4 TE
Max. Leiterquerschnitt starr (ein-/mehrdrähtig)
35 qmm
Max. Leiterquerschnitt flexibel (feindrähtig)
25 qmm
Mit Fernmeldekontakt
Signalisierung am Gerät
optisch
Prüfklasse Typ 2
Schutzart (IP)
IP20
ETIM-Klasse
Überspannungsableiter für Energietechnik/Stromversorgung

Zubehör

Oft zusammen gekauft