Zajadacz EVI

DEHN Dachrinnenklemme 339059

Niro

Artikel
221418
Lieferanten Typ
DRK DUL 8.10 W16.22
Lieferanten Artikel
339059

Beschreibung

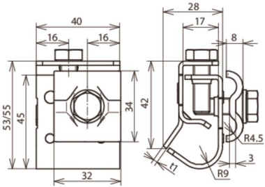
Dachrinnenklemme nach DIN EN 62561-1, zum Verbinden von Rundleitern dem Wulst der Dachrinne. Ausführung mit Doppelüberleger, Leitungsführung längs oder quer.

Hersteller-Seite

Artikeleigenschaften

Zolltarif-Nr.
85359000
Ursprungs-Land
DE
WEEE-Land
DE
WEEE-Nummer
11890845
Art des Verbinders
Dachrinnenklemme
Geeignet für Rundleiterdurchmesser
8.0 - 10.0 mm
Klemmbereich
16.0 - 22.0 mm
Werkstoff
Edelstahl 304 (V2A)
Oberflächenschutz
unbehandelt
Art der Befestigungsschrauben
Sechskantschraube
ETIM-Klasse
Anschlussklemme für Blitzschutz

Oft zusammen gekauft