Zajadacz EVI

DEHN Endstück St/Tzn 363000

Artikel
062622
Lieferanten Typ
ES ZF 3XB11 STTZN
Lieferanten Artikel
363000

Beschreibung

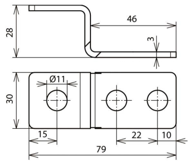
Endstück zum Anschrauben an Erdungsfestpunkt, für den Anschluss z. B. einer Potentialausgleichsschiene oder zum Anschließen von Konstruktionsteilen (z. B. Stahlträger oder dgl.) durch Anschrauben. Ausführung mit Bohrungen, für den Anschluss vom Rundleiter z.B. KS-Verbinder.

Hersteller-Seite

Artikeleigenschaften

Zolltarif-Nr.
85359000
Ursprungs-Land
DE
WEEE-Land
DE
WEEE-Nummer
11890845
Art des Verbinders
Endstück
Werkstoff
Stahl
ETIM-Klasse
Verbinder für Blitzschutz

Oft zusammen gekauft