Zajadacz EVI

DEHN Kombi-Ableiter DBX U4 KT BD S 0-180

DEHNbox DBX 922400

Artikel
3510511
Lieferanten Typ
DBX U4 KT BD S 0-180
Lieferanten Artikel
922400

Beschreibung

DEHNbox Ableiter für Aufputzmontage
Erkennt automatisch die anliegende Betriebsspannung und passt den Schutzpegel optimal an diese an. Bietet die Möglichkeit sowohl zur direkten als auch zur indirekten Erdung des Kabelschirms. Die Schutzfunktion ist in eine Verbindungsdose mit Einführungsmembranen (M20) für IP65 integriert und geeignet zur direkten Wandmontage. Zur Kontaktierung stehen anwendungsfreundliche Zugfederklemmen zur Verfügung. Ideal für Telekommunikationssysteme, Bustechnik sowie Mess,- Steuer- und Regel-Technik.
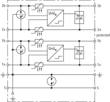
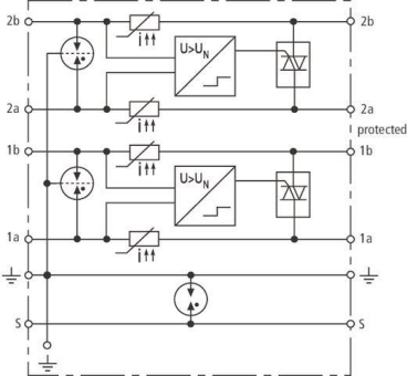
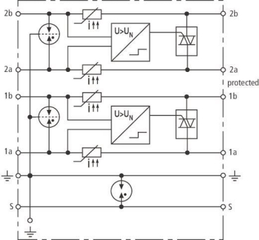
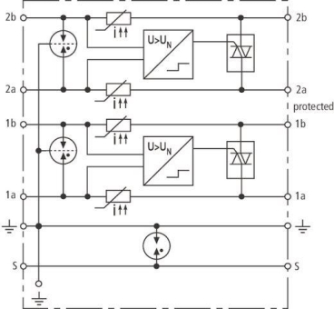
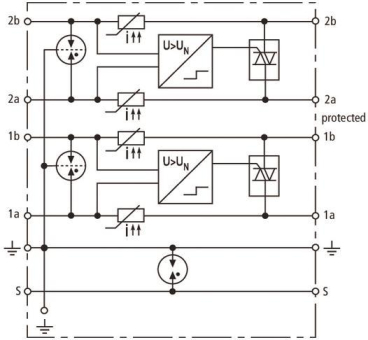
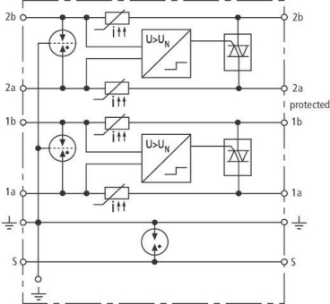
Universeller Blitz- und Überspannungsableiter
der Ableiterklasse Type 1/P1 DBX U4 KT BD S 0-180
mit actiVsense-Technologie zur automatischen Erkennung der Betriebsspannung und optimalen Anpassung des Schutzpegels; geprüft nach EN 61643-21 und energetisch koordiniert nach IEC 61643-22 zum Schutz von einer Doppelader für symmetrische Schnittstellen mit galvanischer Trennung in informationstechnischen Systemen, wahlweise indirekte oder direkte Schirmerdung.

Betriebsspannung UN: 0-180 V
Zulässige überlagerte Signalspannung: ≤ +/- 5V
Nennstrom bei 80°C IL (entspr. max. Kurzschlussstrom): 100 mA
D1 Blitzstoßstrom (10/350) gesamt: 10 kA
C2 Nennableitstoßstrom (8/20) gesamt: 20 kA

Liefern und montieren.

Hersteller-Seite

Artikeleigenschaften

Zolltarif-Nr.
85363010
Reach
2025-07-16 - Ja
Ursprungs-Land
DE
WEEE-Land
DE
WEEE-Nummer
11890845
Nennspannung DC
0.0 - 180.0 V
Höchste Dauerspannung DC
180 V
Blitzstoßstrom (10/350 µs)
10 kA
Nennableitstoßstrom (8/20)
20 kA
Nennlaststrom
0,1 A
Grenzfrequenz
50 MHz
Montageart
Aufputz
Anschluss 1
Klemme
Ableiterüberwachung
Mit Fernmeldekontakt
Explosionsgeprüfte Ausführung
Trennmöglichkeit des Signalkreises
Anzahl der Leiter (ohne Erde)
4
Baubreite
93 mm
Schutzart (IP)
IP65
ETIM-Klasse
Kombi-Ableiter für Informations-/MSR-Technik

Oft zusammen gekauft