Zajadacz EVI

DEHN Kombiableiter Typ 1 961205

DEHNvenCI 1-polig 255V AC mit

Artikel
3731848
Lieferanten Typ
DVCI 1 255 FM
Lieferanten Artikel
961205

Beschreibung

DEHNVENCI 255 (FM)
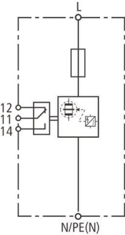
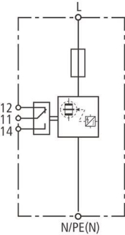
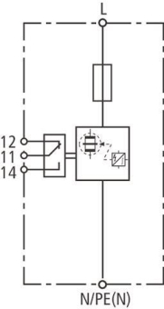
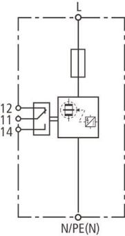
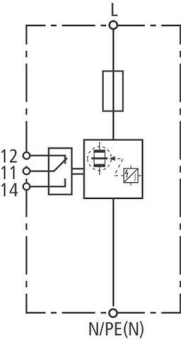
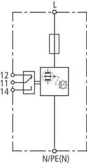
Kombi-Ableiter mit integrierter Ableitervorsicherung
Einpoliger Kombi-Ableiter mit integrierter Ableitervorsicherung. Zum Schutz von Niederspannungs-Verbraucheranlagen vor Überspannungen, auch bei direkten Blitzeinschlägen. Einsetzbar nach dem Blitz-Schutzzonen-Konzept an den Schnittstellen OA-2.
Ableiter Typ 1 nach EN 61643-11
· Kombi-Ableiter auf Funkensteckenbasis mit integrierter Ableitervorsicherung
· Energetisch koordiniert innerhalb der Red/Line-Produktfamilie
· Tiefer Schutzpegel UP ≤ 1,5 kV (inkl. Vorsicherung)
· Höchste Amlagenverfügbarkeit durch RADAX-Flow-Folgestrombegrenzung
· Hohes Blitzstrom-Ableitvermögen bis 25 kV (10/350)
· Ermöglicht Endgeräteschutz
· Funktions-/Defektanzeige durch Markierung im Sichtfrenster
· Als...FM-Variante zusätzlich mit dreipoligem Klemmsatz für Anschluss der Fernanzeige erhältlich
Höchste Dauerspannung ac: 255 V
Blitzstoßstrom Iimp/kA: 25 kA

Hersteller-Seite

Artikeleigenschaften

Zolltarif-Nr.
85363090
Reach
2026-02-26 - Ja
Ursprungs-Land
DE
WEEE-Land
DE
WEEE-Nummer
11890845
Netzform DC
Netzform IT
Netzform TN
Netzform TN-C
Netzform TN-C-S
Netzform TN-S
Netzform TT
Netzform sonstige
Polzahl
1
Blitzstoßstrom (10/350 µs)
25 kA
Höchste Dauerspannung AC
255 V
Nennspannung AC
230 V
Schutzpegel
1,5 kV
Folgestromlöschfähigkeit
50 kA
Spezifische Energie (W/R)
156,25 kJ/Ohm
Montageart
Hutschiene TH35
Baugröße
2 TE
Max. Leiterquerschnitt starr (ein-/mehrdrähtig)
50 qmm
Max. Leiterquerschnitt flexibel (feindrähtig)
35 qmm
Fernsignalisierung
Signalisierung am Gerät
optisch
Prüfklasse
Typ 1 und 2
Integrierte Vorsicherung
Energetisch koordinierte Schutzwirkung zum Endgerät
Spannungsschaltende Funkenstreckentechnologie
Überstromgeschützter Spannungsabgriff
Schutzart (IP)
IP20
ETIM-Klasse
Kombi-Ableiter für Energietechnik

Zubehör

Oft zusammen gekauft