Zajadacz EVI

DEHN Koordinierter 971126

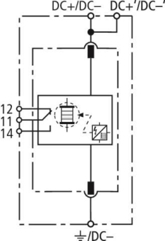
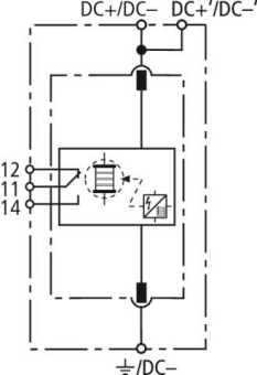
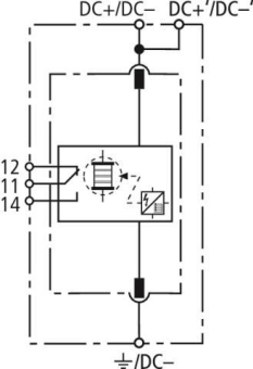
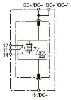
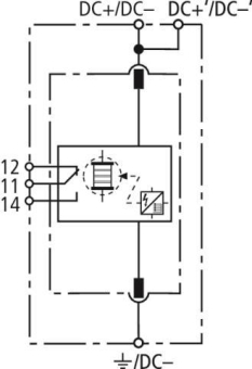
Blitzstromableiter Typ 1 DEHNsecure M

Artikel
3731854
Lieferanten Typ
DSE M 1 60 FM
Lieferanten Artikel
971126

Beschreibung

Einpoliger, koordinierter Blitzstromableiter DEHNsecure modular, Klassifikation Typ 1 nach EN 61643-11 auf Funkenstreckenbasis. Speziell für den Einsatz in DC-Stromkreisen geeignete Funkenstreckentechnologie. Zum Schutz von Gleichstrom-Verbraucheranlagen vor Überspannungen auch bei direkten Blitzeinschlägen. Zum Einsatz im Blitz-Schutzzonen-Konzept an den Schnittstellen 0A – 1.

Hersteller-Seite

Artikeleigenschaften

Zolltarif-Nr.
85363090
Reach
2025-07-16 - Ja
Ursprungs-Land
DE
WEEE-Land
DE
WEEE-Nummer
11890845
Netzform DC
Netzform IT
Netzform TN
Netzform TN-C
Netzform TN-C-S
Netzform TN-S
Netzform TT
Netzform sonstige
Anzahl der Leiter (ohne Erde)
1
Blitzstoßstrom (10/350 µs)
25 kA
Nennableitstoßstrom (8/20)
25 kA
Höchste Dauerspannung DC
60 V
Schutzpegel
1,5 kV
Spezifische Energie (W/R)
156,25 kJ/Ohm
Montageart
Hutschiene TH35
Baugröße
2 TE
Max. Leiterquerschnitt starr (ein-/mehrdrähtig)
50 qmm
Max. Leiterquerschnitt flexibel (feindrähtig)
35 qmm
Mit Fernmeldekontakt
Ausblasend
Signalisierung am Gerät
optisch
Prüfklasse Typ 1
Integrierte Vorsicherung
Geeignet für Außengebrauch
Schutzart (IP)
IP20
ETIM-Klasse
Blitzstromableiter für Energietechnik