Zajadacz EVI

DEHN N-PE-BS-Ableiter DGPM 1 255 S

DEHNgap Max 900050 DGPM 1 255 S

Artikel
2233605
Lieferanten Typ
DGPM 1 255 S
Lieferanten Artikel
900050

Beschreibung

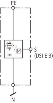
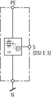
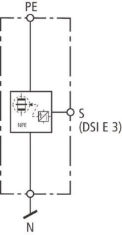
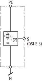
Einpoliger, koordinierter N-PE-Blitzstromableiter DEHNgap Maxi S, Typ 1 nach EN 6143-11. Summenstrom-Ableiter speziell für den Einsatz im TT-System in der 3+1 und 1+1-Schaltung nach DIN VDE 0100-534 zwischen N und PE zur Montage auf industrielle Sammelschienensysteme. Zum Schutz von Niederspannungs-Verbraucheranlagen vor Überspannungen auch bei direkten Blitzeinschlägen. Zum Einsatz im Blitz-Schutzzonen-Konzept an den Schnittstellen 0A – 1 in der 3+1-Schaltungsvariante.

Hersteller-Seite

Artikeleigenschaften

Zolltarif-Nr.
85363090
Reach
2025-07-16 - Ja
Ursprungs-Land
DE
WEEE-Land
DE
WEEE-Nummer
11890845
Netzform DC
Netzform IT
Netzform TN
Netzform TN-C
Netzform TN-C-S
Netzform TN-S
Netzform TT
Netzform sonstige
Anzahl der Leiter (ohne Erde)
1
Blitzstoßstrom (10/350 µs)
100 kA
Höchste Dauerspannung AC
255 V
Nennspannung AC
230 V
Schutzpegel
2,5 kV
Folgestromlöschfähigkeit
0,1 kA
Spezifische Energie (W/R)
2500 kJ/Ohm
Montageart
Sammelschiene
Mit Fernmeldekontakt
Ausblasend
Signalisierung am Gerät
mit LWL
Prüfklasse Typ 1
Integrierte Vorsicherung
Geeignet für Außengebrauch
ETIM-Klasse
Blitzstromableiter für Energietechnik

Zubehör

Oft zusammen gekauft