Zajadacz EVI

DEHN ÜS-Ableiter DEHNgate DGA BNC 909710

VCD 909710

Artikel
2725548
Lieferanten Typ
DGA BNC VCD
Lieferanten Artikel
909710

Beschreibung

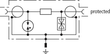
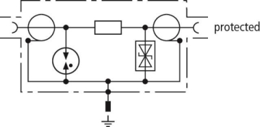
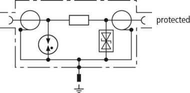
Platzsparenender Überspannungsableiter mit BNC-Buchsenanschluss für die Tragschienenmontage zum Schutz von Video- und Kamerasystemen. Mit direkter Schirmanbindung.

Hersteller-Seite

Artikeleigenschaften

Zolltarif-Nr.
85366910
Reach
2025-07-16 - Ja
Ursprungs-Land
DE
WEEE-Land
DE
WEEE-Nummer
11890845
Nennspannung DC
5.0 - 5.0 V
Höchste Dauerspannung DC
6,4 V
Nennableitstoßstrom (8/20)
5 kA
Blitzstoßstrom (10/350 µs)
1 kA
Nennlaststrom
0,1 A
Frequenz
0.0 - 300.0 MHz
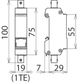
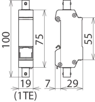
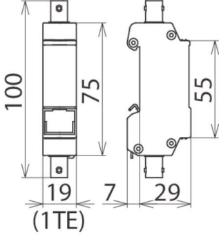
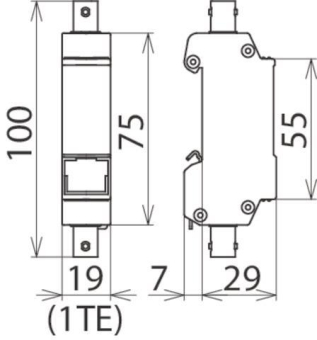
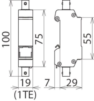
Montageart
Hutschiene TH35
Anschluss 1
BNC, 75 Ohm
Ableiterüberwachung
Mit Fernmeldekontakt
Explosionsgeprüfte Ausführung
Trennmöglichkeit des Signalkreises
Anzahl der Leiter (ohne Erde)
1
Erdung über
sonstige
Baubreite
19 mm
Schutzart (IP)
IP10
ETIM-Klasse
Überspannungsableiter für Informations-/MSR-Technik

Zubehör

Oft zusammen gekauft