Zajadacz EVI

DEHN ÜS-Ableiter DEHNguard S FM 952098

952098

Artikel
2956045
Lieferanten Typ
DG S 48 FM
Lieferanten Artikel
952098

Beschreibung

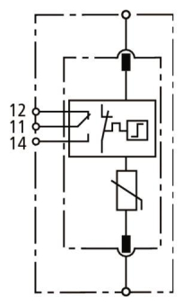
Einpoliger Überspannungsableiter DEHNguard S, Typ 2 nach EN 61643-11, bestehend aus Basisteil und gestecktem Schutzmodul. Hohe Gerätesicherheit durch Ableiterüberwachung mit Thermo-Dynamik-Control. Zum Schutz von Niederspannungs-Verbraucheranlagen vor Überspannungen. Zum Einsatz im Blitz-Schutzzonen-Konzept an den Schnittstellen 0B – 1 und höher.

Hersteller-Seite

Artikeleigenschaften

Zolltarif-Nr.
85363030
Reach
2025-07-16 - Ja
Ursprungs-Land
DE
WEEE-Land
DE
WEEE-Nummer
11890845
Netzform DC
Netzform IT
Netzform TN
Netzform TN-C
Netzform TN-C-S
Netzform TN-S
Netzform TT
Netzform sonstige
Anzahl der Leiter (ohne Erde)
1
Nennableitstoßstrom (8/20)
7,5 kA
Max. Ableitstoßstrom (8/20)
25 kA
Nennspannung AC
42 V
Höchste Dauerspannung AC
48 V
Höchste Dauerspannung DC
60 V
Schutzpegel
0,33 kV
Max. Überstromschutzeinrichtung Stichverdrahtung (Sicherung)
125 A
Max. Überstromschutzeinrichtung V-Verdrahtung (Sicherung)
100 A
Kurzschlussfestigkeit (Isccr)
50 kA
Integrierter Kurzschlussschutz
Integrierte Vorsicherung
Leckstromfrei
Montageart
Hutschiene TH35
Baugröße
1 TE
Max. Leiterquerschnitt starr (ein-/mehrdrähtig)
35 qmm
Max. Leiterquerschnitt flexibel (feindrähtig)
25 qmm
Mit Fernmeldekontakt
Signalisierung am Gerät
optisch
Prüfklasse Typ 2
Schutzart (IP)
IP20
ETIM-Klasse
Überspannungsableiter für Energietechnik/Stromversorgung

Zubehör

Oft zusammen gekauft