Zajadacz EVI

DEHN ÜS-Ableiter DG M YPV SCI 1000 FM

DEHNguard M FM 952515

Artikel
3156790
Lieferanten Typ
DG M YPV SCI 1000 FM
Lieferanten Artikel
952515

Beschreibung

DEHNguard® M YPV SCI...(FM)
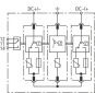
Mehrpoliger, modularer Überspannungs-Ableiter Typ 2 mit 3-stufiger Gleichspannungs-Schaltvorrichtung für PV-Anlagen bis 1200 V
· Verdrahtungsfertige, modulare Kompletteinheit für Photovoltaik-Anlagen, bestehend aus Basisteil und gesteckten Schutzmodulen
· Kombinierte Abtrenn- und Kurzschließvorrichtung mit sicherer elektrischer Trennung im Schutzmodul verhindert Brandschäden infolge DC-Schaltlichtbögen
· Bewährte fehlerresistente Y-Schaltung vermeidet Schädigung des Überspannungsschutzes bei Isolationsfehlern im Generatorkreis
· Sicherer, lichtbogenfreier Schutzmodulwechsel durch integrierte Gleichstrom-Sicherung
· Einsetzbar in allen PV-Systemen gemäß IEC 60364-7-712
· Als FM-Variante mit Fernmeldekontakt für Überwachungseinrichtung (potentialfreier Wechsler)

Technische Daten
Höchste Dauerspannung dc (Umax dc) je nach Typ: 300 V, 500 V, 600 V
Maximaler Ableitstoßstrom (8/20) (DC+/DC-)--> PE (Imax) 25 le A
Betriebstemperaturbereich (Tu) -40 °C...+80 °C
Schutzart IP20
Einbaumaße 3 TE, DIN 43880
Modularer Überspannungs-Ableiter als Kompletteinheit für Photovoltaikanlagen
max. PV-Spannung je nach Typ: ≤ 600 V, ≤1000 V, ≤ 1200 V
bis 600 V DC Art.-Nr. 952 511 (952 516)
bis 1000 V DC Art.-Nr. 952 510 (952 515)
bis 1200 V DC Art.-Nr. 952 512 (952 517)
Nennableitstrom (8/20): 12,5 kA

Hersteller-Seite

Artikeleigenschaften

Zolltarif-Nr.
85363030
Reach
2025-07-16 - Ja
Ursprungs-Land
DE
WEEE-Land
DE
WEEE-Nummer
11890845
Netzform DC
Netzform IT
Netzform TN
Netzform TN-C
Netzform TN-C-S
Netzform TN-S
Netzform TT
Netzform sonstige
Anzahl der Leiter (ohne Erde)
2
Nennableitstoßstrom (8/20)
12,5 kA
Max. Ableitstoßstrom (8/20)
25 kA
Max. PV-Spannung
1000 V
Schutzpegel
4 kV
Kurzschlussfestigkeit (Isccr)
10 kA
Integrierter Kurzschlussschutz
Integrierte Vorsicherung
Leckstromfrei
Montageart
Hutschiene TH35
Baugröße
3 TE
Max. Leiterquerschnitt starr (ein-/mehrdrähtig)
35 qmm
Max. Leiterquerschnitt flexibel (feindrähtig)
25 qmm
Mit Fernmeldekontakt
Signalisierung am Gerät
optisch
Prüfklasse Typ 2
Schutzart (IP)
IP20
ETIM-Klasse
Überspannungsableiter für Energietechnik/Stromversorgung

Zubehör

Oft zusammen gekauft