Zajadacz EVI

DEHN ÜS-Ableiter Schutz- DR MOD 4P 255

Modul 255V 4-polig für DEHNrail M 953020

Artikel
2956046
Lieferanten Typ
DR MOD 4P 255
Lieferanten Artikel
953020

Beschreibung

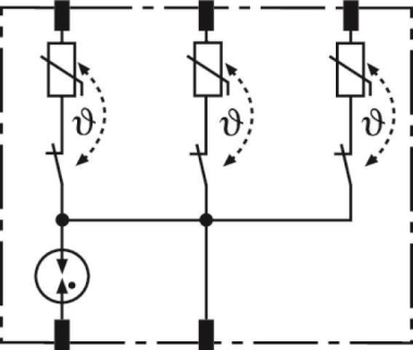
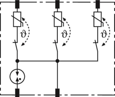
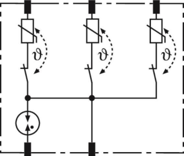
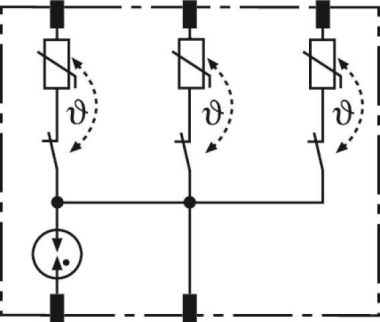
Schutzmodul für DEHNrail modular, Typ 3 nach EN 61643-11.

Hersteller-Seite

Artikeleigenschaften

Zolltarif-Nr.
85363030
Ursprungs-Land
RO
WEEE-Land
DE
WEEE-Nummer
11890845
Nennspannung AC
230 V
Höchste Dauerspannung AC
255 V
Höchste Dauerspannung DC
255 V
Nennlaststrom
25 A
Nennableitstoßstrom (8/20) (L-N)
3 kA
Gesamtableitstoßstrom (8/20) (L+N-PE)
8 kA
Schutzpegel L-N
1 kV
Schutzpegel L-PE/N-PE
1,5 kV
Polzahl
4
Montageart
auf Basiselement
Mit Fernmeldekontakt
Signalisierung am Gerät
optisch
Prüfklasse Typ 3
Mit Entstörfilter
ETIM-Klasse
Geräteüberspannungsschutz für Energietechnik/Stromversorgung

Oft zusammen gekauft