Zajadacz EVI

DEHN ÜS-Adapter DEHNprotector 909230

für Schuko Steckdose

Artikel
2956034
Lieferanten Typ
DPRO 230
Lieferanten Artikel
909230

Beschreibung

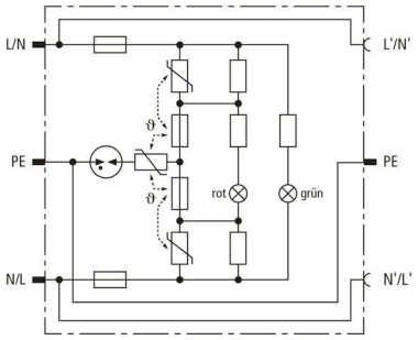
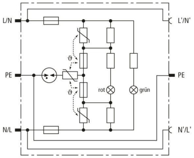
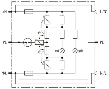
DEHNprotector Überspannungsschutz-Adapter DPRO 230

Nennspannung AC (UN) 230 V
Höchste Dauerspannung AC (UC) 255 V
Nennlaststrom AC (IL) 16 A
Nennableitstoßstrom (8/20) (In) 3 kA
Einbaumaße 126x69x41 mm

Hersteller-Seite

Artikeleigenschaften

Zolltarif-Nr.
85363010
Reach
2026-02-26 - Ja
Ursprungs-Land
CN
WEEE-Land
DE
WEEE-Nummer
11890845
Nennspannung AC
230 V
Höchste Dauerspannung AC
255 V
Nennlaststrom
16 A
Nennableitstoßstrom (8/20) (L-N)
3 kA
Gesamtableitstoßstrom (8/20) (L+N-PE)
5 kA
Schutzpegel L-N
1,35 kV
Schutzpegel L-PE/N-PE
1,5 kV
Max. Überstromschutzeinrichtung Stichverdrahtung (Sicherung)
16 A
Montageart
Adapter
Mit Fernmeldekontakt
Signalisierung am Gerät
optisch
Prüfklasse Typ 3
Mit Entstörfilter
Schutzart (IP)
IP20
ETIM-Klasse
Geräteüberspannungsschutz für Energietechnik/Stromversorgung

Oft zusammen gekauft