Zajadacz EVI

DEHN Überspannungsableiter Typ 2

DEHNcube DCU YPV SCI 1000 2M

Artikel
4096204
Lieferanten Typ
DCU YPV SCI 1000 2M
Lieferanten Artikel
900920

Beschreibung

DEHNcube
Mehrpoliger Überspannungs-Ableiter mit dreistufiger Gleichstrom-Schaltvorrichtung für PV-Anlagen bis 1000 V in Schutzart IP 65.
Zum Einsatz im Blitz-Schutzzonen-Konzept an Schnittstellen 0B – 1 und höher.
Ableiter Typ 2 nach EN 50539-11

· Anschlussfertige Kompletteinheit für Photovoltaik-Anlagen
· Kombinierte Abtrenn- und Kurzschließvorrichtung mit sicherer elektrischer Trennung in jedem Schutzpfad verhindert Brandschäden infolge DC-Schaltlichtbögen (patentiertes SCI-Prinzip)
· Bewährte fehlerresistente Y-Schaltung des DEHNcube YPV SCI 1000 … vermeidet Schädigung des Überspannungsschutzes bei Isolationsfehlern im Generatorkreis
· Unkomplizierte Umsetzung des Überspannungsschutzes ohne Platzbedarf in einem Verteilergehäuse
· Werkzeugloser Anschluss über Federzugklemme
· Geprüft nach EN 50539-11
· Einsetzbar in allen PV-Systemen gemäß IEC 60364-7-712
· Kurzschlussfestigkeit ISCPV: 1000 A
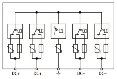
DEHNcube YPV SCI 1000 2M
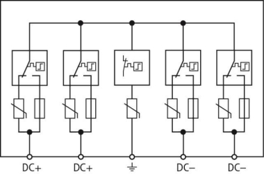
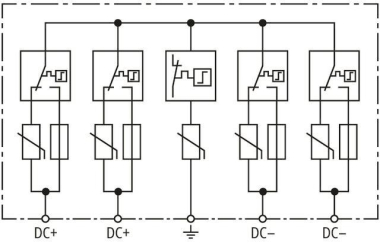
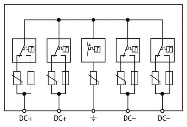
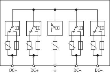
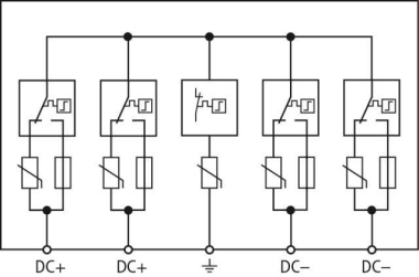
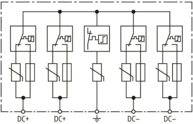
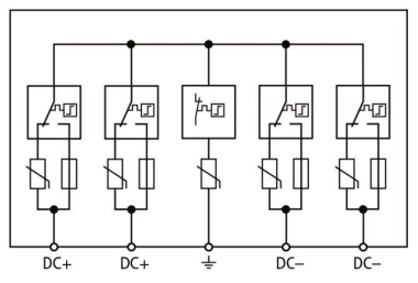
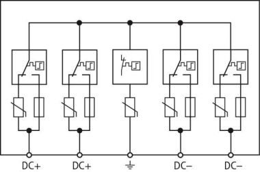
Fünfpoliger Überspannungs-Ableiter in IP65 mit dreistufiger Gleichstrom-Schaltvorrichtung zum Schutz von zwei MPP-Eingängen; für PV-Anlagen bis 1000 V

Technische Daten
Maximale PV-Spannung (UCPV): ≤ 1000 V
Gesamtableitstoßstrom (8/20 µs) (Itotal): 40 kA
Nennableistoßstrom (8/20 µs) (DC+/DC-), PE (In): 12,5 kA
Maximaler Ableitstoßstrom (8/20 µs) (DC+/DC-), PE (Imax): 25 kA
Spannung Uc: ≤1000 V
Ableitstoßstrom: 40 kA

Hersteller-Seite

Artikeleigenschaften

Zolltarif-Nr.
85363030
Ursprungs-Land
DE
WEEE-Land
DE
WEEE-Nummer
11890845
Netzform DC
Netzform IT
Netzform TN
Netzform TN-C
Netzform TN-C-S
Netzform TN-S
Netzform TT
Netzform sonstige
Anzahl der Leiter (ohne Erde)
4
Nennableitstoßstrom (8/20)
12,5 kA
Max. Ableitstoßstrom (8/20)
25 kA
Max. PV-Spannung
1000 V
Schutzpegel
4 kV
Kurzschlussfestigkeit (Isccr)
1 kA
Integrierter Kurzschlussschutz
Integrierte Vorsicherung
Leckstromfrei
Montageart
Direktmontage
Max. Leiterquerschnitt starr (ein-/mehrdrähtig)
6 qmm
Max. Leiterquerschnitt flexibel (feindrähtig)
6 qmm
Mit Fernmeldekontakt
Signalisierung am Gerät
optisch
Prüfklasse Typ 2
Schutzart (IP)
IP65
ETIM-Klasse
Überspannungsableiter für Energietechnik/Stromversorgung

Zubehör

Oft zusammen gekauft