Zajadacz EVI

DEHN Üs-Ableiter 918401

Dehnrail RS48 91840

Artikel
062437
Lieferanten Typ
BVT RS485 5
Lieferanten Artikel
918401

Beschreibung

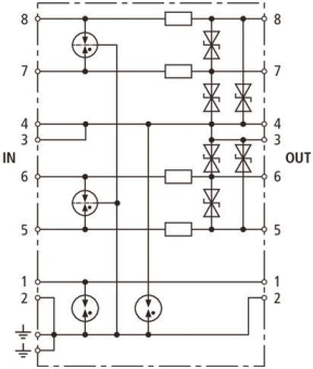
Ableiter für viele Anwendungen, z. B. für vieradrige symmetrische Schnittstellen RS485/422 oder auch Temperaturfühler. Wahlweise direkte oder indirekte Schirmerdung und Anschluss eines Signal Ground (SG).

Hersteller-Seite

Artikeleigenschaften

Zolltarif-Nr.
85363010
Reach
2025-07-16 - Ja
Ursprungs-Land
RO
WEEE-Land
DE
WEEE-Nummer
11890845
Nennspannung DC
5.0 - 5.0 V
Höchste Dauerspannung AC
4,2 V
Höchste Dauerspannung DC
6 V
Nennableitstoßstrom (8/20)
10 kA
Blitzstoßstrom (10/350 µs)
0,8 kA
Nennlaststrom
0,5 A
Schutzpegel Ader/Ader
8,5 V
Schutzpegel Ader/Erde
600 V
Grenzfrequenz
1,7 MHz
Montageart
Hutschiene TH35
Anschluss 1
Schraubanschlussklemme
Ableiterüberwachung
Mit Fernmeldekontakt
Explosionsgeprüfte Ausführung
Trennmöglichkeit des Signalkreises
Anzahl der Leiter (ohne Erde)
4
Erdung über
separater Leiter
Baubreite
54 mm
Schutzart (IP)
IP20
ETIM-Klasse
Überspannungsableiter für Informations-/MSR-Technik

Oft zusammen gekauft