Zajadacz EVI

DEHN Üs-Ableiter FS9E-PB 924017

Artikel
062342
Lieferanten Typ
FS 9E PB 6
Lieferanten Artikel
924017

Beschreibung

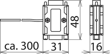
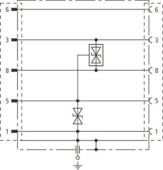
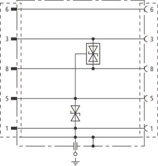
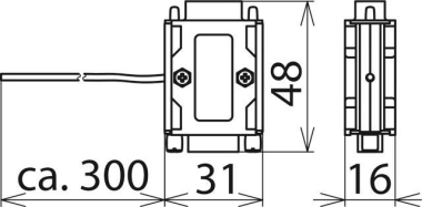
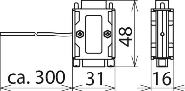
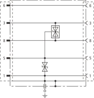
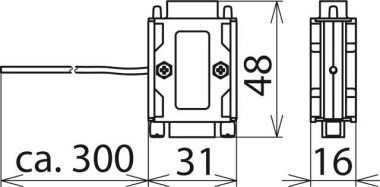
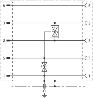
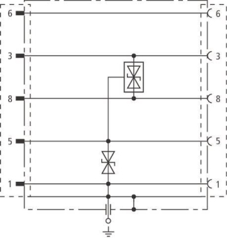
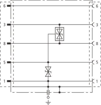
Überspannungsableiter für Profibus-DP. Ausführung mit D-SUB 9-polig, Pin 6 ohne Schutz durchgeführt für Programmierschnittstelle.

Hersteller-Seite

Artikeleigenschaften

Zolltarif-Nr.
85363010
Reach
2025-07-16 - Ja
Ursprungs-Land
DE
WEEE-Land
DE
WEEE-Nummer
11890845
Nennspannung DC
6.0 - 6.0 V
Höchste Dauerspannung DC
7 V
Nennableitstoßstrom (8/20)
0,4 kA
Schutzpegel Ader/Ader
25 V
Schutzpegel Ader/Signalground
25 V
Schutzpegel Signalground/Protectiveground
18 V
Grenzfrequenz
90 MHz
Montageart
sonstige
Anschluss 1
D-Sub 9-polig
Ableiterüberwachung
Mit Fernmeldekontakt
Explosionsgeprüfte Ausführung
Trennmöglichkeit des Signalkreises
Anzahl der Leiter (ohne Erde)
5
Erdung über
separater Leiter
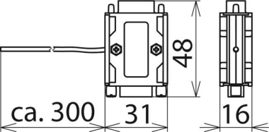
Baubreite
31 mm
Schutzart (IP)
IP40
ETIM-Klasse
Überspannungsableiter für Informations-/MSR-Technik

Oft zusammen gekauft