Zajadacz EVI

DEHN Üss-Netzmodul 2-polig 900471

Artikel
061087
Lieferanten Typ
VC 280 2
Lieferanten Artikel
900471

Beschreibung

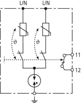
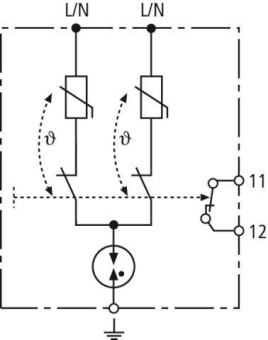
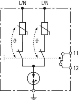
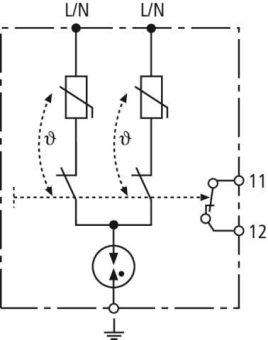
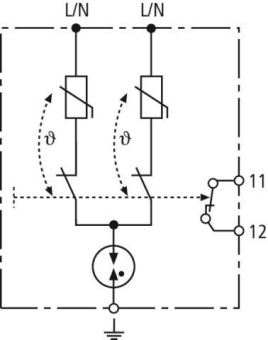
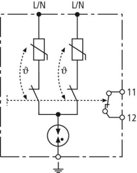
Zweipoliger Überspannungsableiter VC 280 2, Typ 3 nach EN 61643-11, mit Überwachungseinrichtung und Abtrennvorrichtung. Erhöhte Sicherheit durch verwechslungssichere Y-Schutzbeschaltung. Zum Schutz von elektronischen Geräten vor Überspannungen. Zum Einbau in Gehäuse oder direkt in das zu schützende Gerät. Zum Einsatz im Blitz-Schutzzonen-Konzept an den Schnittstellen 1 – 2 und höher.

Hersteller-Seite

Artikeleigenschaften

Zolltarif-Nr.
85363010
Ursprungs-Land
DE
WEEE-Land
DE
WEEE-Nummer
11890845
Nennspannung AC
230 V
Höchste Dauerspannung AC
280 V
Nennableitstoßstrom (8/20) (L-N)
3 kA
Gesamtableitstoßstrom (8/20) (L+N-PE)
5 kA
Schutzpegel L-N
1,25 kV
Schutzpegel L-PE/N-PE
1,5 kV
Max. Überstromschutzeinrichtung Stichverdrahtung (Sicherung)
16 A
Polzahl
2
Montageart
auf Leiterplatte
Mit Fernmeldekontakt
Prüfklasse Typ 3
Mit Entstörfilter
Schutzart (IP)
IP20
ETIM-Klasse
Geräteüberspannungsschutz für Energietechnik/Stromversorgung

Oft zusammen gekauft