DOEP Automat B 16A DLS 6h B16-1

** 6kA 1-polig

Artikel
3003928
Lieferanten Typ
DLS 6H B16-1 6 KA
Lieferanten Artikel
09914023

Beschreibung

Leitungsschutzschalter, B-Charakterisitik

Die Leitungsschutzschalter der Baureihe DLS 6h sind in weiteren Ausführungen verfügbar: 1-polig+N, 2-polig, 3-polig, 3-polig+N, 4-polig, in
C-Charakteristik sowie teilweise in D-Charakteristik. Weitere Bemessungsströme auf Anfrage.

Hersteller-Seite

Artikeleigenschaften

Zolltarif-Nr.
85362010
Ursprungs-Land
DE
WEEE-Land
DE
WEEE-Nummer
85624250
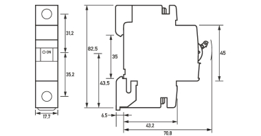
Einbautiefe
68 mm
Auslösecharakteristik
B
Polzahl (gesamt)
1
Anzahl der abgesicherten Pole
1
Bemessungsstrom
16 A
Bemessungsspannung
400 V
Bemessungsisolationsspannung Ui
2 V
Bemessungsstoßspannungsfestigkeit Uimp
4 kV
Bemessungsschaltvermögen Icn nach EN 60898 bei 230 V
6 kA
Spannungsart
AC/DC
Bemessungsschaltvermögen Icn nach EN 60898 bei 400 V
6 kA
Frequenz
16.67 - 60 Hz
Verlustleistung
4,2 W
Energiebegrenzungsklasse
3
Unterputzmontage
Mitschaltender Neutralleiter
Überspannungskategorie
3
Verschmutzungsgrad
2
Zusatzeinrichtungen möglich
Breite in Teilungseinheiten
1
Schutzart (IP)
IP20
Umgebungstemperatur während des Betriebs
-25 - 55 °C
Anschließbarer Leiterquerschnitt mehrdrähtig
1.5 - 25 qmm
Anschließbarer Leiterquerschnitt eindrähtig
0.5 - 25 qmm
Explosionsgeschützt