Zajadacz EVI

DOEP FI-Schutzsch. DFS2-025-2/0,03-AFT

Artikel
1082907
Lieferanten Typ
DFS2 025-2/0,03-A FT
Lieferanten Artikel
09124621

Beschreibung

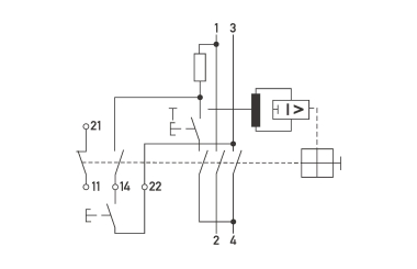
Fehlerstromschutzschalter des Typs A sind puls- und wechselstromsensitiv. Schalter in FT-Ausführung ermöglichen es Ihnen, die Prüftaste aus der Ferne zu betätigen. Dank des integrierten Hilfsschalters kann extern angezeigt werden, wenn der Schutzschalter auslöst.

Hersteller-Seite

Artikeleigenschaften

Zolltarif-Nr.
85363030
Reach
2026-03-19 - Ja
Ursprungs-Land
DE
WEEE-Land
DE
WEEE-Nummer
85624250
Polzahl
2
Bemessungsspannung
230 V
Bemessungsstrom
25 A
Bemessungsfehlerstrom
0,03 A
Bemessungsisolationsspannung Ui
400 V
Bemessungsstoßspannungsfestigkeit Uimp
4 kV
Verlustleistung
0,5 W
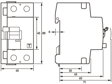
Montageart
DIN-Schiene
Fehlerstrom-Typ
A
Selektiver-Typ
Kurzzeitverzögerter Typ
Kurzschlussfestigkeit (Icw)
10 kA
Stoßstromfestigkeit
0,25 kA
Spannungsart
AC
Mit Verriegelungsvorrichtung
Frequenz
50 Hz
Bemessungsabschaltvermögen
0,5 kA
Zusatzeinrichtungen werkseitig angebaut
Fernauslöser
Bemessungsschaltstrom Zusatzeinrichtung
6 A
Bemessungsspannung Zusatzeinrichtung
230 V
Steuerspannungsart Zusatzeinrichtung
AC
Schutzart (IP)
IP20
Breite in Teilungseinheiten
2,5
Einbautiefe
69 mm
Farbe
grau
RAL-Nummer (ähnlich)
7035
Umgebungstemperatur während des Betriebs
-25 - 40 °C
Verschmutzungsgrad
2
Explosionsgeschützt
Anschließbarer Leiterquerschnitt eindrähtig
1.5 - 50 qmm
Anschließbarer Leiterquerschnitt mehrdrähtig
1.5 - 50 qmm
Baugröße nach DIN 43880
2,5
ETIM-Klasse
Fehlerstrom-Schutzschalter mit Zusatzeinrichtung

Zubehör

Oft zusammen gekauft