Zajadacz EVI

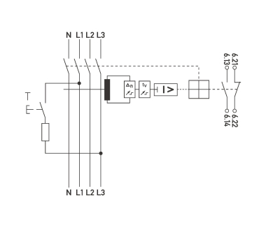
DOEP FI-Schutzschalter DFL8 250-4/X-A

DFL8-250-4/X-A

Artikel
1083554
Lieferanten Typ
DFL8 250-4/X-A
Lieferanten Artikel
09219781

Beschreibung

Leistungsschalter mit Fehlerstromschutz (CBR) schalten hohe Ströme, schützen Betriebsmittel, Kabel und Leitungen vor Überstrom und Personen vor elektrischem Schlag. DFL 8 sind kompakte Geräte mit integriertem Hilfsschalter und Anschlussklemmen für große Leitungsquerschnitte. Fehlerstromschutzschalter des Typs A sind puls- und wechselstromsensitiv. Bei Schaltern dieser Variante kann der Fehleransprechstrom individuell in Stufen auf die jeweilige Anwendung eingestellt werden (0.3 A, 0.5 A, 1 A, 3 A). Entsprechend ist auch die Grenznichtansprechzeit stufenweise einstellbar. Hierdurch ist in Anlagen mit gestaffelten Verteilungen eine selektive Fehlerstromschutzschaltung realisierbar. Geräte in der Standardausführung sind für die Überwachung von Stromkreisen mit einer Bemessungsspannung von 400 V/690 V und einer Bemessungsfrequenz von 50 Hz ausgelegt.

Hersteller-Seite

Artikeleigenschaften

Zolltarif-Nr.
85363090
Reach
2026-03-19 - Ja
Ursprungs-Land
DE
WEEE-Land
DE
WEEE-Nummer
85624250
Polzahl (gesamt)
4
Anzahl der abgesicherten Pole
3
Bemessungsspannung
690 V
Bemessungsisolationsspannung Ui
1000 V
Bemessungsstoßspannungsfestigkeit Uimp
8 kV
Bemessungsstrom
250 A
Bemessungsfehlerstrom
0,3 A
Montageart
Aufbau
Fehlerstrom-Typ
A
Verlustleistung
143,2 W
Bemessungsabschaltvermögen nach IEC 60947-2
85 kA
Abschaltcharakteristik
kurzzeitverzögert
Stoßstromfestigkeit
5 kA
Spannungsart
AC
Frequenz
50 Hz
Auslösecharakteristik
sonstige
Mitschaltender Neutralleiter
Mit Verriegelungsvorrichtung
Überspannungskategorie
3
Verschmutzungsgrad
3
Umgebungstemperatur während des Betriebs
-25 - 70 °C
Breite in Teilungseinheiten
0
Einbautiefe
149 mm
Fehlauslöseschutz
Schutzart (IP)
IP20
Anschließbarer Leiterquerschnitt eindrähtig
4 - 16 qmm
Anschließbarer Leiterquerschnitt mehrdrähtig
25 - 185 qmm
ETIM-Klasse
Kombination FI-Schalter/Leitungsschutzschalter

Zubehör

Oft zusammen gekauft