Zajadacz EVI

DOEP Fi- DFL8-160-4/0,03-A

DFS8-160-4/0,03-A Schutzschalter

Artikel
1083548
Lieferanten Typ
DFL8 160-4/0,03-A
Lieferanten Artikel
09184781

Beschreibung

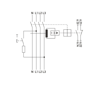
Leistungsschalter mit Fehlerstromschutz (CBR) schalten hohe Ströme, schützen Betriebsmittel, Kabel und Leitungen vor Überstrom und Personen vor elektrischem Schlag. DFL 8 sind kompakte Geräte mit integriertem Hilfsschalter und Anschlussklemmen für große Leitungsquerschnitte. Fehlerstromschutzschalter des Typs A sind puls- und wechselstromsensitiv. Schalter dieser Variante haben einen festen Bemessungsfehlerstrom von 30 mA für den Personenschutz. Sie gewährleisten somit den Fehler- und Brandschutz sowie den zusätzlichen Schutz (Personenschutz, Schutz bei direktem Berühren). Geräte in der Standardausführung sind für die Überwachung von Stromkreisen mit einer Bemessungsspannung von 400 V/690 V und einer Bemessungsfrequenz von 50 Hz ausgelegt.

Hersteller-Seite

Artikeleigenschaften

Zolltarif-Nr.
85363090
Reach
2026-01-20 - Ja
Ursprungs-Land
DE
WEEE-Land
DE
WEEE-Nummer
85624250
Polzahl (gesamt)
4
Anzahl der abgesicherten Pole
3
Bemessungsspannung
690 V
Bemessungsisolationsspannung Ui
1000 V
Bemessungsstoßspannungsfestigkeit Uimp
8 kV
Bemessungsstrom
160 A
Bemessungsfehlerstrom
0,03 A
Montageart
Aufbau
Fehlerstrom-Typ
A
Verlustleistung
93,4 W
Bemessungsabschaltvermögen nach IEC 60947-2
85 kA
Abschaltcharakteristik
kurzzeitverzögert
Stoßstromfestigkeit
5 kA
Spannungsart
AC
Frequenz
50 Hz
Auslösecharakteristik
sonstige
Mitschaltender Neutralleiter
Mit Verriegelungsvorrichtung
Überspannungskategorie
3
Verschmutzungsgrad
3
Umgebungstemperatur während des Betriebs
-25 - 70 °C
Breite in Teilungseinheiten
0
Einbautiefe
149 mm
Fehlauslöseschutz
Schutzart (IP)
IP20
Anschließbarer Leiterquerschnitt eindrähtig
4 - 16 qmm
Anschließbarer Leiterquerschnitt mehrdrähtig
25 - 185 qmm
ETIM-Klasse
Kombination FI-Schalter/Leitungsschutzschalter

Zubehör

Oft zusammen gekauft