Zajadacz EVI

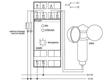
DOEP SIWR Anemometer-Auswertegerät

Windrelais

Artikel
1084877
Lieferanten Typ
SIWR
Lieferanten Artikel
09500208

Beschreibung

Das SI-System (Strom-Impuls-System) ist eine Steuerungs- und Automatisierungstechnik für die festverdrahtete Installation. Durch das große Spektrum der Funktionsmodule und der Logik durch die Verdrahtung ermöglicht es die Realisierung einer Vielzahl von Steuerungsaufgaben. Dazu gehören u. a. die licht- und uhrzeitabhängige Schaltung von elektrischen Verbrauchern (z. B. Leuchten, Rollläden, Jalousien), Dimmfunktionen für Niedervolt- und DALI-Leuchten oder auch der Schutz von Rollläden und Markisen vor Wind und Regen. Diese lassen sich beliebig um Einzel-, Gruppen- und Zentralbefehle ergänzen. Das SI-System kommt ganz ohne PC-Programmierung aus, kann also konventionell installiert werden. Da die Verdrahtung weitestgehend den Steuerungen mit Relais- oder Schützschaltungen entspricht, sind die Aufwendungen für Planung und Inbetriebnahme sehr gering. Durch die konsequente Verwendung der Steuer- und Versorgungsspannung von 24 V DC und der strikten Trennung zwischen Schutzkleinspannungs- und Niederspannungsseite sind die Komponenten kompakt, kostengünstig und störungsunempfindlich. Zudem erlauben Steuerungsleitungen mit einer Länge von bis zu 100 m eine einfache Anbindung von Standardschalterprogrammen auch in großflächigen Gebäuden. Das System eignet sich besonders für die Lichtsteuerung. Dazu stehen unter anderem Ferndimmer, das DALI-Gateway und Dämmerungssensoren zur Verfügung. Der Windmesser SIWS und die Auswerteeinheit SIWR bilden eine Komponente, die alleine oder im SI-System Jalousien, Markisen und Dachluken schützt. Die Windstärken, die ein Schließen oder Öffnen auslösen, sind wählbar.

Hersteller-Seite

Artikeleigenschaften

Zolltarif-Nr.
85364900
Ursprungs-Land
DE
WEEE-Land
DE
WEEE-Nummer
85624250
Montageart
DIN-Schiene
Funktion
Windsensor
Zentralfunktion AUS
Gruppenschalter
Panikfunktion
Anwesenheitssimulation
Treppenlicht und Vorwarnung
Nachlauffunktion, Anzahl der Kanäle
0
Zeitbereich
0 - 0 min
Anzahl der Universal-Dimmkanäle
0
Anzahl der Dimmfunktionen
0
Stromstoßfunktion, Anzahl der Kanäle
0
Rollladen-/Sonnenschutzsteuerung, Anzahl der Kanäle
0
Wochenprogramm
Astroprogramm
Windsensor
0 - 32 m/s
Regensensor
Anzahl der Kanäle
1
Kontaktausführung
Schließer (NO)
Bemessungsstrom
2 A
Bemessungsspannung
21.5 - 26.5 V
Schutzart (IP)
IP20
Breite in Teilungseinheiten
2
Breite
36 mm
Höhe
85 mm
Tiefe
65 mm
ETIM-Klasse
Zentrales Steuersystem für Gebäude

Zubehör

Oft zusammen gekauft