Zajadacz EVI

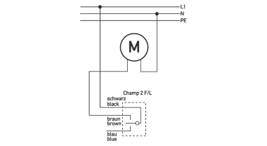
DOEP Schwimmerschalter CHAMP2 G-L/F/03M

** füllen und leeren 3m Anschlusskabel

Artikel
1082870
Lieferanten Typ
Champ 2 G-L/F 03 m
Lieferanten Artikel
09921003

Beschreibung

Champ 2 G-L/F 03 m
für Pumpen zum Füllen oder Leeren

Funktion
Schwimmerschalter sind Schaltvorrichtungen, die der Grenzstanderfassung von Flüssigkeiten dienen. Die Geräte lösen bei zuvor definierten Füllständen Schaltbefehle aus und sind somit in der Lage, füllstandsabhängig z. B. Füllungs- und Entleerungspumpen zu steuern oder bei bestimmten Flüssigkeitsständen Alarm auszulösen. Die Geräte der Baureihe Champ sind wahlweise mit einem Schließer oder Wechslerkontakt ausgestattet und können dadurch bis zu zwei verschiedene Grenzstände überwachen. Bei steigendem oder sinkendem Füllstand im Behälter ändert sich die Lage des Schwimmers, sodass sich bei einem definierbaren Füllstand die Kontakte öffnen oder schließen. Durch ein optional erhältliches, verschiebbares Gewicht am Schwimmerkabel lässt sich für jeden Flüssigkeitsstand eine entsprechende Schwimmerlage einstellen. Die Schalthysterese z. B. zwischen "Pumpe ein" und "Pumpe aus" ist dabei fest eingestellt. Der Schaltkontakt ist in ein robustes und schlagfestes Kunststoffgehäuse eingebaut. Der Schwimmer bildet mit dem Anschlusskabel eine hermetisch dichte Einheit. Die Ausführung "L/F" dieser Schalter ist in der Lage, z. B. Flüssigkeitsbehälter sowohl zu befüllen als auch zu entleeren. Geräte der Variante "G" verfügen über eine Zuleitung aus Gummi. Geräte der Standardvariante eignen sich für die Verwendung in nicht aggressiven Flüssigkeiten, z. B. in Wasserbehältern.

Eigenschaften
hohe Schaltsicherheit durch verschleißarme Kugelführung, einfache Einstellung der Schwimmerlage über optional erhältliches Gegengewicht, Gehäusematerial aus nichttoxischem PP, hochflexible Neopren-Anschlussleitung

Einsatzgebiete
Die wichtigsten Anwendungsgebiete sind Pumpen und Drainageanlagen, Abwässer oder chemische Industrie und überall dort, wo eine zuverlässige Grenzstanderfassung von Flüssigkeiten gefordert wird.

Hinweise
nicht für DC- und Kleinspannung geeignet, nicht für den Einsatz im Trinkwasser geeignet

Zubehör
Gegengewichte GGW

Technische Daten
Baureihe: Champ 2 L/F
Anzahl Schließer, Öffner, Wechsler: 0|0|1
min. Schaltwinkel: 45 °
max. Schaltwinkel: 45 °
keine Beeinflussung durch: Essigsäure, Meerwasser, Seifenlösung 5 %, Wasser
niedrige Beeinflussung durch: Phosphorsäure 85 %, Äthylalkohol, Methylalkohol, Phenol, Glukose, Ammoniumnitrat, Zinksulfat
hohe Beeinflussung durch: Salzsäure 38 %, Schwefelsäure 98 %, Salpetersäure 50 %, Benzin, Benzol, Chloroform, Natriumhypochlorit, Mineralöl, Natriumhydroxid, Trichloräthylen, Xylen, Vaseline
Betriebsspannung (AC): 230 V (207 V ... 253 V)
Betriebsfrequenz: 50 Hz, 60 Hz Laststromkreis
Ausführung: Schaltkontakt
Bemessungsspannung (AC): 250 V
Bemessungsstrom (AC): 10 A
Kabeltyp: H07RN-F 3X1
Anschlusskabel: 3 m
Lagertemperatur: -20 °C ... 80 °C
Umgebungstemperatur: max. 50 °C
Gehäuseart: geschlossen
Gehäusematerial: nicht-toxisches PP
Schutzart: IP68
plombierbar: nein
Breite: 105 mm / Höhe: 81 mm / Tiefe: 42 mm

Hersteller-Seite

Artikeleigenschaften

Zolltarif-Nr.
90261029
Ursprungs-Land
IT
WEEE-Land
DE
WEEE-Nummer
85624250
Geeignet für Trinkwasser
Geeignet für Regenwasser
Geeignet für Kühlwasser
Geeignet für Fäkalien
Geeignet für Haushaltsabwasser
Geeignet für Kondenswasser
Geeignet für Glykol
Ablesbar
Mit Display
Schaltdifferenz einstellbar
Eintauchtiefe
0 mm
Montage vertikal
Montage horizontal
Ausführung Aufnehmer/Fühler
sonstige
Montageart
oberhalb des Schachts hängend
Material Schwimmer
Kunststoff
Anschluss
sonstige
Gewindemaß
sonstige
Max. Spannung der Kontakte
250 V
Max. Kontaktbelastung
10 A
Max. Mediumtemperatur (Dauerbetrieb)
50 °C
Min. spezifische Masse Flüssigkeit
970 kg/m#54#
Max. Arbeitsdruck
1 bar
Schutzart (IP)
IP68
Schutzart (NEMA)
6P
Explosionsgeschützt
ETIM-Klasse
Schwimmerschalter

Zubehör

Oft zusammen gekauft