Zajadacz EVI

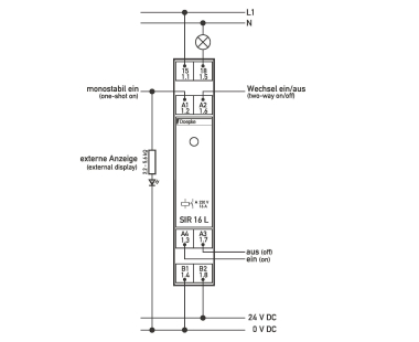
DOEP Stromstossrelais 24V SIR16L

f.erhöhtem Einschaltstrom

Artikel
1084866
Lieferanten Typ
SIR 16 L
Lieferanten Artikel
09500153

Beschreibung

Das SI-System (Strom-Impuls-System) ist eine Steuerungs- und Automatisierungstechnik für die festverdrahtete Installation. Durch das große Spektrum der Funktionsmodule und der Logik durch die Verdrahtung ermöglicht es die Realisierung einer Vielzahl von Steuerungsaufgaben. Dazu gehören u. a. die licht- und uhrzeitabhängige Schaltung von elektrischen Verbrauchern (z. B. Leuchten, Rollläden, Jalousien), Dimmfunktionen für Niedervolt- und DALI-Leuchten oder auch der Schutz von Rollläden und Markisen vor Wind und Regen. Diese lassen sich beliebig um Einzel-, Gruppen- und Zentralbefehle ergänzen. Das SI-System kommt ganz ohne PC-Programmierung aus, kann also konventionell installiert werden. Da die Verdrahtung weitestgehend den Steuerungen mit Relais- oder Schützschaltungen entspricht, sind die Aufwendungen für Planung und Inbetriebnahme sehr gering. Durch die konsequente Verwendung der Steuer- und Versorgungsspannung von 24 V DC und der strikten Trennung zwischen Schutzkleinspannungs- und Niederspannungsseite sind die Komponenten kompakt, kostengünstig und störungsunempfindlich. Zudem erlauben Steuerungsleitungen mit einer Länge von bis zu 100 m eine einfache Anbindung von Standardschalterprogrammen auch in großflächigen Gebäuden. Das System eignet sich besonders für die Lichtsteuerung. Dazu stehen unter anderem Ferndimmer, das DALI-Gateway und Dämmerungssensoren zur Verfügung. Stromstoßschalter, auch: Fern- oder Impulsschalter, schalten durch einen elektrischen Impuls ein und durch einen weiteren wieder aus. Die Geräte der Baureihe SIR sind durch ihre 24-V-Stromstoßtechnik universell einsetzbar. Die Ausführung eignet sich für die Montage in Elektroverteilungen. Das bistabile Lastrelais SIR 16 L ist auch für hohe, induktive Lasten geeignet. Mit seinen verschiedenen Eingängen kann es in Zentral-Ein- bzw. Zentral-Aus-Befehle integriert oder als monostabiles Relais betrieben werden.

Hersteller-Seite

Artikeleigenschaften

Zolltarif-Nr.
85364900
Ursprungs-Land
DE
WEEE-Land
DE
WEEE-Nummer
85624250
Montageart
DIN-Schiene
Funktion
Erweiterungsmodul
Zentralfunktion AUS
Gruppenschalter
Panikfunktion
Anwesenheitssimulation
Treppenlicht und Vorwarnung
Nachlauffunktion, Anzahl der Kanäle
0
Zeitbereich
0 - 0 min
Anzahl der Universal-Dimmkanäle
0
Anzahl der Dimmfunktionen
0
Stromstoßfunktion, Anzahl der Kanäle
1
Rollladen-/Sonnenschutzsteuerung, Anzahl der Kanäle
0
Wochenprogramm
Astroprogramm
Regensensor
Anzahl der Kanäle
1
Kontaktausführung
Schließer (NO)
Steuerspannung 1
24 - 24 V
Steuerspannungsart 1
DC
Bemessungsstrom
16 A
Max. Schaltstrom (cos phi = 0,6)
13 A
Bemessungsspannung
230 - 230 V
Schutzart (IP)
IP40
Breite in Teilungseinheiten
1
Breite
18 mm
Höhe
85 mm
Tiefe
65 mm
ETIM-Klasse
Zentrales Steuersystem für Gebäude

Zubehör

Oft zusammen gekauft