Zajadacz EVI

DOEP Treppenlicht-Zeitschalter RTZ2

1Schliesser TW 10P 09980719

Artikel
2259610
Lieferanten Typ
RTZ 2
Lieferanten Artikel
09980719

Beschreibung

Treppenlichtzeitschalter steuern Treppenhaus- und Flurbeleuchtungen. Sie schalten manuell eingeschaltetes Licht nach einer voreingestellten Zeit aus. Die Baureihe RTZ bietet eine Vielzahl an Funktionen und flexibel nutzbare Steuereingänge. Über die angeschlossenen Taster lässt sich das Gerät nachschalten und abschalten. Es stehen viele verschiedene Betriebsarten zur Auswahl.

Hersteller-Seite

Artikeleigenschaften

Zolltarif-Nr.
85364900
Ursprungs-Land
AT
WEEE-Land
DE
WEEE-Nummer
85624250
Funktion
elektronisch mit Multifunktion
Montageart
DIN-Schiene
Breite in Teilungseinheiten
1
Einbautiefe
60 mm
Anzahl der Kontakte als Schließer
1
Anzahl der Kontakte als Öffner
0
Anzahl der Kontakte als Wechsler
0
Steuerspannung 1
196 - 253 V
Steuerspannungsart 1
AC
Frequenz der Steuerspannung 1
48 - 53 Hz
Bemessungsschaltstrom
16 A
Max. Schaltstrom (cos phi = 0,6)
80 A
Rückfallverzögerung
0.5 - 12 min
Taster Glimmlampenstrom
100 mA
Schaltungsart
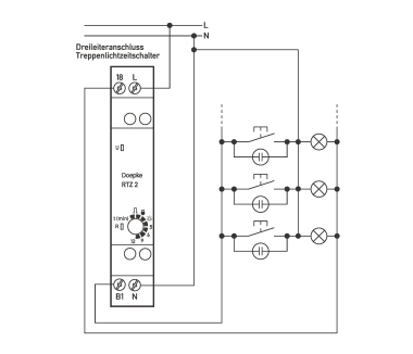
3- und 4-Leiter-Schaltung
Ausschaltvorwarnung
flackern
Stromstoßfunktion wählbar
Nachschaltung
nachschaltbar + Dauerlicht + Zeitverlängerung
Versorgungsspannung
196 - 253 V
Spannungsart der Versorgungsspannung
AC
Max. Glühlampenlast
2000 W
Max. Leuchtstofflampenlast
1000 VA
Max. Leuchtstofflampenlast (Duo-Schaltung)
1000 VA
Max. Leuchtstofflampenlast (parallel kompensiert)
750 VA
ETIM-Klasse
Treppenlichtzeitschalter

Zubehör

Oft zusammen gekauft