Zajadacz EVI

DOTLUX Lichtmanagementsystem 5109

Controller Plus Bluetooth DT8

Artikel
6412926
Lieferanten Typ
5109
Lieferanten Artikel
5109

Beschreibung

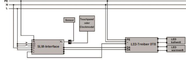
HCL-Steuergerät zur Ansteuerung von Leuchten mit HCL-Farblichtsteuerung auf Basis DALI Automatische Steuerung von Farbtemperatur und Helligkeit über frei programmierbare Lichtkurve Automatische Ein- und Ausschaltzeiten des Lichtes Simulation des Tagesverlaufes der Sonne Programmierung über Lumobi App Funktioniert nur in Verbindung mit Clockmodul (Art-Nr. 5110) oder Touchpanel (Art-Nr. 5111) Optional kann ein Bewegungs- und Helligkeitssensor (Art-Nr. 5112) eingebunden werden Für bis zu 32 Leuchten

Hersteller-Seite

Artikeleigenschaften

Zolltarif-Nr.
85371091
Ursprungs-Land
DE
WEEE-Land
DE
WEEE-Nummer
53492767
Art des Zubehörs/Ersatzteils
sonstige
Zubehör
Ersatzteil
Farbe
weiß
ETIM-Klasse
Elektrisches Zubehör/Ersatzteile für Leuchten

Zubehör

Oft zusammen gekauft