Zajadacz EVI

DEHN SFL PRO 6X 19z ÜS-Steckdosenleiste

SFL-Protector für Datenschränke (19")

Artikel
3544971
Lieferanten Typ
SFL PRO 6X 19"
Lieferanten Artikel
909251

Beschreibung

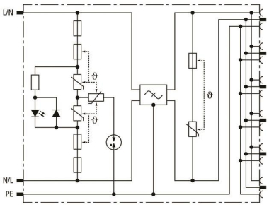
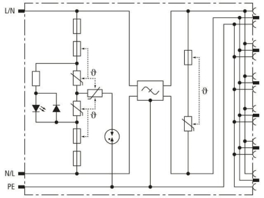
Überspannungsableiter-Steckdosenleiste
SFL-Protector für Datenschränke (19"), 482,6 mm

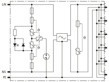
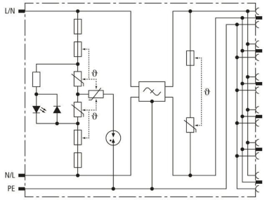
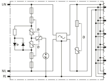
Überspannungsableiter mit Filter SFL-Protector 6X Steckdosenleiste, Typ 3 nach EN 61643-11, mit Überwachungseinrichtung und Abtrennvorrichtung. Erhöhte Sicherheit durch verwechslungssichere Y-Schutzbeschaltung. Steckdosenleiste zum Schutz der Netzversorgung von elektronischen Geräten vor transienten Überspannungen sowie hochfrequenten Störspannungen. Zum Einsatz im Blitz-Schutzzonen-Konzept an den Schnittstellen 1 - 2 und höher.

Hersteller-Seite

Artikeleigenschaften

Zolltarif-Nr.
85363010
Ursprungs-Land
RO
WEEE-Land
DE
WEEE-Nummer
11890845
Nennspannung AC
230 V
Höchste Dauerspannung AC
255 V
Nennlaststrom
16 A
Nennableitstoßstrom (8/20) (L-N)
3 kA
Gesamtableitstoßstrom (8/20) (L+N-PE)
5 kA
Schutzpegel
1,6 kV
Max. Überstromschutzeinrichtung Stichverdrahtung (Sicherung)
16 A
Montageart
Steckdosenleiste
Mit Fernmeldekontakt
Signalisierung am Gerät
optisch
Prüfklasse Typ 3
Mit Entstörfilter
Schutzart (IP)
IP20
ETIM-Klasse
Geräteüberspannungsschutz für Energietechnik/Stromversorgung

Oft zusammen gekauft