Zajadacz EVI

Dehn 105348 WB WB D40.50 SE WA95 V2A

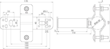
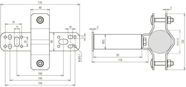
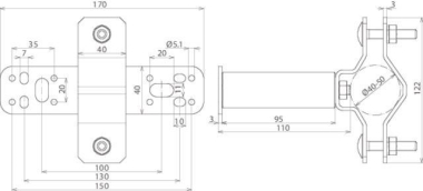
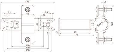
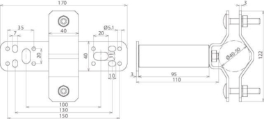
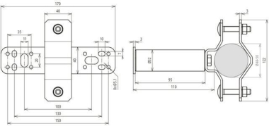
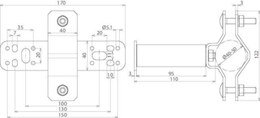
D40.50 SE WA95 V2A Wandbefestigung NIRO

Artikel
5711612
Lieferanten Typ
WB D40.50 SE WA110 V
Lieferanten Artikel
105348

Beschreibung

Wandbefestigungswinkel für senkrechte Montage, für Fangstangen D40, DEHNcon-H oder DEHNiso-Combi Stützrohre.

Hersteller-Seite

Artikeleigenschaften

Zolltarif-Nr.
85389099
Ursprungs-Land
DE
WEEE-Land
DE
WEEE-Nummer
11890845
Art des Zubehörs/Ersatzteils
Halter für Fangeinrichtung
Zubehör
Ersatzteil
Werkstoff
Edelstahl 304 (V2A)
Oberflächenschutz
unbehandelt
ETIM-Klasse
Zubehör/Ersatzteile für Erdung und Blitzschutz