Zajadacz EVI

Dehn 416940 UES 16 L600 VK RD10 28 EFP

UES 16 L600 VK RD14 28 EFP

Artikel
6577276
Lieferanten Typ
UES 16 L600 VK RD10
Lieferanten Artikel
416940

Beschreibung

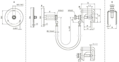
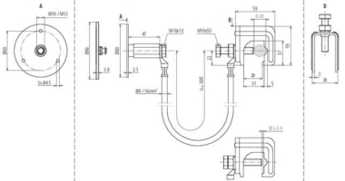
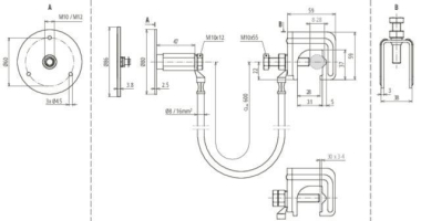
Anschlussgarnitur nach DIN EN 62561-1 zur Nutzung der Bewehrungseisen (Längseisen) von Stahlbetonstützen oder Wänden als Ableitung. Durch die Nutzung eines in den Stahlbetonstützen enthaltenen Bewehrungseisens kann die zusätzliche Installation von Rundleitern (St/tZn) für Blitzschutz / Erdung / Potentialausgleich entfallen. Die elektrisch relevante Verbindung wird über die gesamte Länge der Stahlbetonstütze durch ein vertikales Bewehrungseisen realisiert.

Hersteller-Seite

Artikeleigenschaften

Zolltarif-Nr.
85359000
Ursprungs-Land
DE
WEEE-Land
DE
WEEE-Nummer
11890845
Art des Zubehörs/Ersatzteils
Überbrückungsseil
Zubehör
Ersatzteil
Werkstoff
Kupfer
Oberflächenschutz
sonstige
ETIM-Klasse
Zubehör/Ersatzteile für Erdung und Blitzschutz

Zubehör

Oft zusammen gekauft