Zajadacz EVI

Dehn 472420 PAS EX PAS EX 1+9AP M10 V2A

1+9AP M10 V2A PA-Schiene f.EX-Bereich

Artikel
6653132
Lieferanten Typ
PAS EX 1+9AP M10 V2A
Lieferanten Artikel
472420

Beschreibung

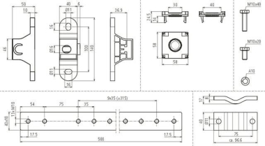
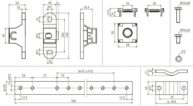
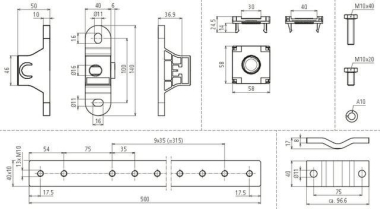
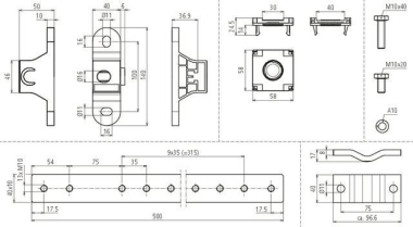
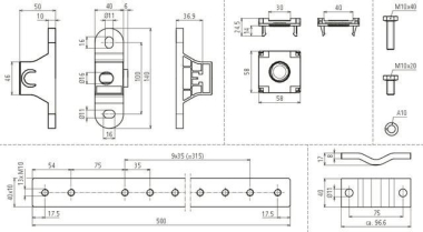
Zündfunkenfreie Ex-Potentialausgleichsschiene zum Einbinden von metallischen Leitern und Leitungen in den Blitzschutz-Potentialausgleich nach VDE 0185-305-3 (IEC 62305-3) sowie den Schutz- und Funktionspotentialausgleich nach DIN VDE 0100 Teil 410/540. Einsatz in Ex-Zonen 1 und 2 (Gase, Dämpfe, Nebel) und Ex-Zonen 21 und 22 (Stäube) Explosionsgruppe IIC (Sicherheitsfaktor 1) nach CLC 50703-2. Entspricht Temperaturklasse T4 sowie DIN EN 62561-1 (VDE 0185-561-1) Blitzstromtragfähigkeitsklasse H (100kA). Schraubensicherung gegen Selbstlockern nach VDE 0185-305-3 Beiblatt 2. Einsatz sowohl im Innenbereich als auch im Außenbereich zulässig. Um Whiskerbildung im Ex-Bereich zu vermeiden, wird der Einsatz von verzinnten Presskabelschuhen mit einer Nickelsperrschicht empfohlen. Das Produkt besitzt folgende Anschlüsse: 1x Flach (M10 x 40 mm mit Federring) und 9x Kabelschuh (M10 x 20 mm mit Federring).

Hersteller-Seite

Artikeleigenschaften

Zolltarif-Nr.
85359000
Ursprungs-Land
DE
WEEE-Land
DE
WEEE-Nummer
11890845
Isolator
Explosionsgeprüfte Ausführung
ETIM-Klasse
Potentialausgleich-Schiene

Zubehör

Oft zusammen gekauft