Zajadacz EVI

Dehn 472421 PAS EX PAS EX 11AP M10 V2A

11AP M10 V2A PA-Schiene f.EX-Bereich

Artikel
6653133
Lieferanten Typ
PAS EX 11AP M10 V2A
Lieferanten Artikel
472421

Beschreibung

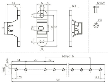
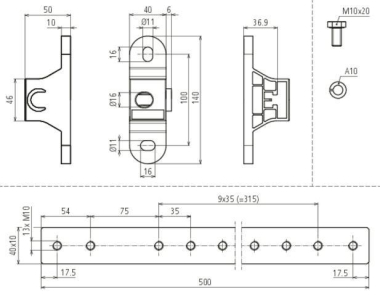
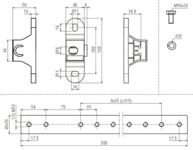
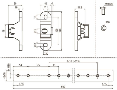
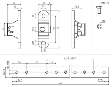
Zündfunkenfreie Ex-Potentialausgleichsschiene zum Einbinden von metallischen Leitern und Leitungen in den Blitzschutz-Potentialausgleich nach VDE 0185-305-3 (IEC 62305-3) sowie den Schutz- und Funktionspotentialausgleich nach DIN VDE 0100 Teil 410/540. Einsatz in Ex-Zonen 1 und 2 (Gase, Dämpfe, Nebel) und Ex-Zonen 21 und 22 (Stäube) Explosionsgruppe IIC (Sicherheitsfaktor 1) nach CLC 50703-2. Entspricht Temperaturklasse T4 sowie DIN EN 62561-1 (VDE 0185-561-1) Blitzstromtragfähigkeitsklasse H (100kA). Schraubensicherung gegen Selbstlockern nach VDE 0185-305-3 Beiblatt 2. Einsatz sowohl im Innenbereich als auch im Außenbereich zulässig. Um Whiskerbildung im Ex-Bereich zu vermeiden, wird der Einsatz von verzinnten Presskabelschuhen mit einer Nickelsperrschicht empfohlen. Das Produkt besitzt folgende Anschlüsse: 11x Kabelschuh (M10 x 20 mm mit Federring).

Hersteller-Seite

Artikeleigenschaften

Zolltarif-Nr.
85359000
Ursprungs-Land
DE
WEEE-Land
DE
WEEE-Nummer
11890845
Bauform
Aufbau modular
Ausführung
ohne Abdeckhaube
Isolator
Explosionsgeprüfte Ausführung
Höhe
50 mm
Breite
140 mm
Länge
522 mm
Anzahl der Anschlüsse Leitung bis 95 mm² starr
11
Werkstoff der Kontaktschiene
Edelstahl 304 (V2A)
Oberfläche der Kontaktschiene
unbehandelt
Werkstoff der Klemme
Edelstahl 304 (V2A)
Oberfläche der Klemme
unbehandelt
ETIM-Klasse
Potentialausgleich-Schiene

Zubehör

Oft zusammen gekauft