Zajadacz EVI

Dehn 900446 DCOR L DCOR L 2P 275 SO LTG

2P 275 SO LTG Überspannungsableiter Typ

Artikel
5003840
Lieferanten Typ
DCOR L 2P 275 SO LTG
Lieferanten Artikel
900446

Beschreibung

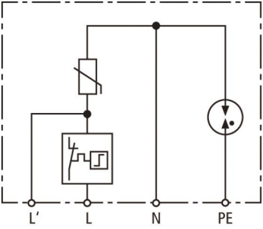
DEHNcord DCOR L...275, kompakte Ausführung;
zum Einsatz in allen Installationssystemen

· Mehrpoliger Überspannungs-Ableiter Typ 2 mit thermischer Überwachungseinrichtung und Abtrennvorrichtung
· Zweifache optische Defektanzeige für den Ableitpfad der Versorgungsspannung und der Steuerphase
· Möglichkeit zur Abschaltung der Leuchte bei defektem Überspannungsschutz

Hersteller-Seite

Artikeleigenschaften

Zolltarif-Nr.
85363030
Reach
2025-07-16 - Ja
Ursprungs-Land
RO
WEEE-Land
DE
WEEE-Nummer
11890845
Netzform DC
Netzform IT
Netzform TN
Netzform TN-C
Netzform TN-C-S
Netzform TN-S
Netzform TT
Netzform sonstige
Anzahl der Leiter (ohne Erde)
2
Nennableitstoßstrom (8/20)
5 kA
Max. Ableitstoßstrom (8/20)
10 kA
Nennspannung AC
230 V
Höchste Dauerspannung AC
275 V
Schutzpegel L-N
1,5 kV
Schutzpegel N-PE
1,5 kV
Max. Überstromschutzeinrichtung Stichverdrahtung (Sicherung)
16 A
Kurzschlussfestigkeit (Isccr)
6 kA
Integrierter Kurzschlussschutz
Integrierte Vorsicherung
Leckstromfrei
Montageart
Direktmontage
Baugröße
sonstige
Mit Fernmeldekontakt
Signalisierung am Gerät
optisch
Prüfklasse Typ 2
Schutzart (IP)
IP20
ETIM-Klasse
Überspannungsableiter für Energietechnik/Stromversorgung

Oft zusammen gekauft