Zajadacz EVI

Dehn 900780 SPD+POP 2 SPD+POP 2 255 C25

255 C25 Schutzeinrichtungen

Artikel
6351667
Lieferanten Typ
SPD+POP 2 255 C25
Lieferanten Artikel
900780

Beschreibung

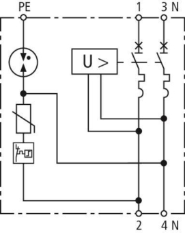
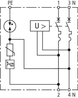
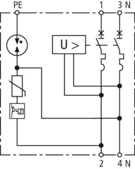
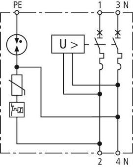
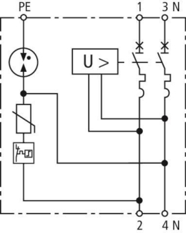
Anschlussfertige Kompletteinheit, keine zusätzliche Verdrahtung der Einzelgeräte notwendig. Erfüllt die Forderungen aus der EN 50550 "Schutzeinrichtungen gegen netzfrequente Überspannungen". Hohe Gerätesicherheit durch Ableiterüberwachung "Thermo-Dynamik-Control". Zum Schutz von Niederspannungs-Verbraucheranlagen vor transienten und temporären Überspannungen (SPD+POP). Zum Einsatz im Blitz-Schutzzonen-Konzept an Schnittstellen 0B-1 und höher.

Hersteller-Seite

Artikeleigenschaften

Zolltarif-Nr.
85363030
Reach
2025-07-16 - Ja
Ursprungs-Land
FR
WEEE-Land
DE
WEEE-Nummer
11890845
Netzform DC
Netzform IT
Netzform TN
Netzform TN-C
Netzform TN-C-S
Netzform TN-S
Netzform TT
Netzform sonstige
Nennableitstoßstrom (8/20)
5 kA
Nennspannung AC
230 V
Höchste Dauerspannung AC
275 V
Schutzpegel
1,5 kV
Integrierter Kurzschlussschutz
Integrierte Vorsicherung
Leckstromfrei
Montageart
Hutschiene TH35
Baugröße
4 TE
Max. Leiterquerschnitt starr (ein-/mehrdrähtig)
25 qmm
Max. Leiterquerschnitt flexibel (feindrähtig)
16 qmm
Mit Fernmeldekontakt
Signalisierung am Gerät
optisch
Prüfklasse Typ 2
Schutzart (IP)
IP20
ETIM-Klasse
Überspannungsableiter für Energietechnik/Stromversorgung