Zajadacz EVI

Dehn 929921 DPI ME 24 N DPI ME 24 N A2G

A2G ÜS-Ableiter DEHNpipe m.1/2"-14 NPT-

Artikel
976649
Lieferanten Typ
DPI ME 24 N A2G
Lieferanten Artikel
929921

Beschreibung

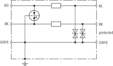
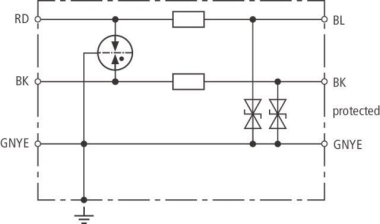
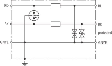
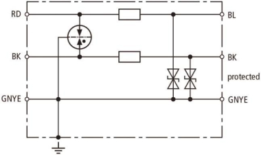
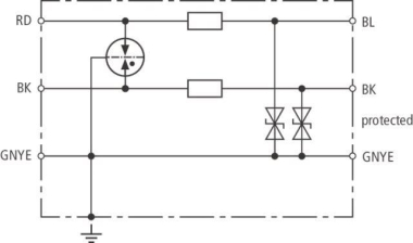
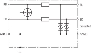
Energetisch koordinierter zweistufiger Ableiter mit Gasentladungsableiter und Dioden gegen Erde. Für unsymmetrische Schnittstellen mit Schraubgewinde 1/2-14 NPT (außen/außen). Erdungsleitung durchgeführt.

Hersteller-Seite

Artikeleigenschaften

Zolltarif-Nr.
85363010
Reach
2024-10-10 - Ja
Ursprungs-Land
DE
WEEE-Land
DE
WEEE-Nummer
11890845
Nennspannung DC
24.0 - 24.0 V
Höchste Dauerspannung AC
24,5 V
Höchste Dauerspannung DC
34,8 V
Nennableitstoßstrom (8/20)
10 kA
Blitzstoßstrom (10/350 µs)
1 kA
Nennlaststrom
0,5 A
Schutzpegel Ader/Ader
98 V
Schutzpegel Ader/Erde
49 V
Montageart
sonstige
Anschluss 1
Anschlussleitung
Ableiterüberwachung
Mit Fernmeldekontakt
Explosionsgeprüfte Ausführung
Trennmöglichkeit des Signalkreises
Anzahl der Leiter (ohne Erde)
2
Erdung über
separater Leiter
Schutzart (IP)
IP67
ETIM-Klasse
Überspannungsableiter für Informations-/MSR-Technik

Zubehör

Oft zusammen gekauft