Zajadacz EVI

Dehn 942308 DG MP TNC DG MP TNC 440 FM

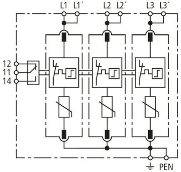
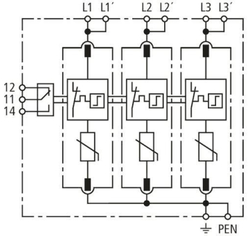
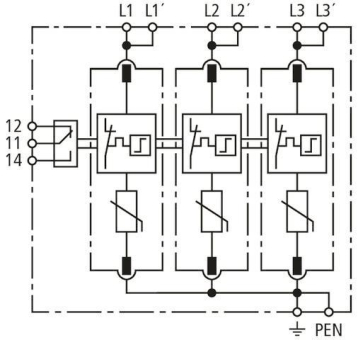
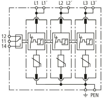
440 FM Überspannungsableiter Typ 2+3

Artikel
7135606
Lieferanten Typ
DG MP TNC 440 FM
Lieferanten Artikel
942308

Beschreibung

Mehrpoliger Überspannungsableiter DEHNguard MP, Typ 2 + Typ 3 nach EN 61643-11, bestehend aus Basisteil mit gesteckten Schutzmodulen und Doppel-Push-In-Anschlussklemme für Stich- und Durchgangsverdrahtung geeignet. Hohe Gerätesicherheit durch Ableiterüberwachung mit Thermo-Dynamik-Control. Zum Schutz von Niederspannungs-Verbraucheranlagen vor Überspannungen. Zum Einsatz im Blitz-Schutzzonen-Konzept an den Schnittstellen 0B – 1 und höher.

Hersteller-Seite

Artikeleigenschaften

Zolltarif-Nr.
85363030
Reach
2025-07-16 - Ja
Ursprungs-Land
DE
WEEE-Land
DE
WEEE-Nummer
11890845
Netzform DC
Netzform IT
Netzform TN
Netzform TN-C
Netzform TN-C-S
Netzform TN-S
Netzform TT
Netzform sonstige
Anzahl der Leiter (ohne Erde)
3
Nennableitstoßstrom (8/20)
20 kA
Max. Ableitstoßstrom (8/20)
40 kA
Nennspannung AC
230 V
Höchste Dauerspannung AC
385 V
Schutzpegel
1,75 kV
Max. Überstromschutzeinrichtung Stichverdrahtung (Sicherung)
125 A
Max. Überstromschutzeinrichtung V-Verdrahtung (Sicherung)
40 A
Kurzschlussfestigkeit (Isccr)
25 kA
Integrierter Kurzschlussschutz
Integrierte Vorsicherung
Leckstromfrei
Montageart
Hutschiene TH35
Baugröße
3 TE
Max. Leiterquerschnitt starr (ein-/mehrdrähtig)
10 qmm
Max. Leiterquerschnitt flexibel (feindrähtig)
10 qmm
Mit Fernmeldekontakt
Signalisierung am Gerät
optisch
Prüfklasse Typ 2
Schutzart (IP)
IP20
ETIM-Klasse
Überspannungsableiter für Energietechnik/Stromversorgung

Zubehör

Oft zusammen gekauft