Zajadacz EVI

Dehn 942310 DG MP TT 275 DG MP TT 275

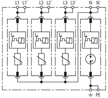
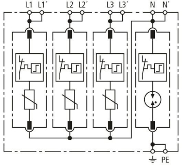
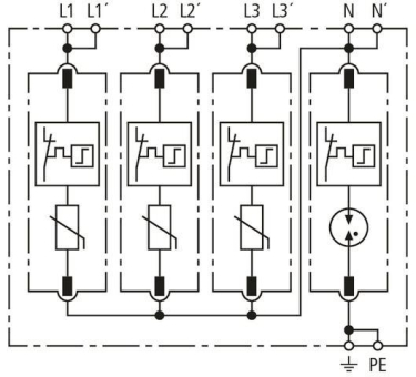
Überspannungsableiter Typ 2 DEHNguard MP

Artikel
6884758
Lieferanten Typ
DG MP TT 275
Lieferanten Artikel
942310

Beschreibung

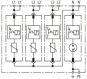
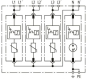
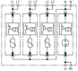
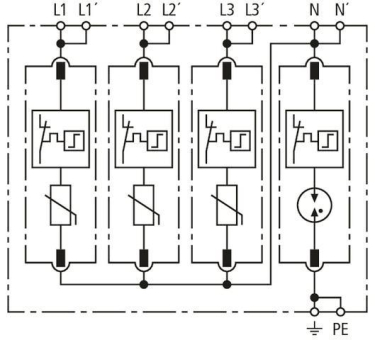
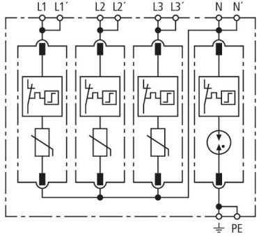
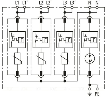
DEHNguard modular DG MP TNS/TT 275
Modularer Überspannungs-Ableiter Typ 2 +3 für TT und TN-S-Systeme

· Mit Push-in-Doppelklemmen für die einfache Durchgangsverdrahtung
· Anschlussfertige Kompletteinheit bestehend aus Basisteil und gesteckten Schutzmodulen
· Hohes Ableitvermögen durch leistungsfähige Zinkoxidvaristoren/Funkenstrecken
· Hohe Gerätesicherheit durch Ableiterüberwachung "Thermo-Dynamik-Control"

Hersteller-Seite

Artikeleigenschaften

Zolltarif-Nr.
85363030
Reach
2026-02-26 - Ja
Ursprungs-Land
DE
WEEE-Land
DE
WEEE-Nummer
11890845
Netzform DC
Netzform IT
Netzform TN
Netzform TN-C
Netzform TN-C-S
Netzform TN-S
Netzform TT
Netzform sonstige
Anzahl der Leiter (ohne Erde)
4
Nennableitstoßstrom (8/20)
20 kA
Max. Ableitstoßstrom (8/20)
40 kA
Nennspannung AC
230 V
Höchste Dauerspannung AC
275 V
Schutzpegel L-N
1,5 kV
Schutzpegel N-PE
1,5 kV
Max. Überstromschutzeinrichtung Stichverdrahtung (Sicherung)
125 A
Max. Überstromschutzeinrichtung V-Verdrahtung (Sicherung)
40 A
Kurzschlussfestigkeit (Isccr)
50 kA
Integrierter Kurzschlussschutz
Integrierte Vorsicherung
Leckstromfrei
Montageart
Hutschiene TH35
Baugröße
4 TE
Max. Leiterquerschnitt starr (ein-/mehrdrähtig)
10 qmm
Max. Leiterquerschnitt flexibel (feindrähtig)
10 qmm
Mit Fernmeldekontakt
Signalisierung am Gerät
optisch
Prüfklasse Typ 2
Schutzart (IP)
IP20
ETIM-Klasse
Überspannungsableiter für Energietechnik/Stromversorgung

Zubehör

Oft zusammen gekauft