Zajadacz EVI

Dehn 942440 DG MP DG MP TNS ACI 275 FM

TNS ACI 275 FM Überspannungsableiter Typ

Artikel
6884761
Lieferanten Typ
DG MP TNS ACI 275 FM
Lieferanten Artikel
942440

Beschreibung

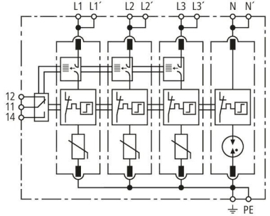
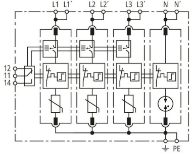
Mehrpoliger Überspannungsableiter DEHNguard MP ACI, Typ 2 nach EN 61643-11 mit integrierte ACI-Schalter-/Funkenstrecken - Kombination, bestehend aus Basisteil mit gesteckten Schutzmodulen und Doppel-Push-In-Anschlussklemme für Stich- und Durchgangsverdrahtung geeignet. Hohe Gerätesicherheit durch Ableiterüberwachung mit Thermo-Dynamik-Control. Zum Schutz von Niederspannungs-Verbraucheranlagen vor Überspannungen. Zum Einsatz im Blitz-Schutzzonen-Konzept an den Schnittstellen 0B – 1 und höher.

Hersteller-Seite

Artikeleigenschaften

Zolltarif-Nr.
85363030
Reach
2026-02-26 - Ja
Ursprungs-Land
DE
WEEE-Land
DE
WEEE-Nummer
11890845
Netzform DC
Netzform IT
Netzform TN
Netzform TN-C
Netzform TN-C-S
Netzform TN-S
Netzform TT
Netzform sonstige
Anzahl der Leiter (ohne Erde)
4
Nennableitstoßstrom (8/20)
20 kA
Nennspannung AC
230 V
Höchste Dauerspannung AC
275 V
Schutzpegel
1,5 kV
Schutzpegel N-PE
1,5 kV
Max. Überstromschutzeinrichtung V-Verdrahtung (Sicherung)
40 A
Kurzschlussfestigkeit (Isccr)
25 kA
Integrierter Kurzschlussschutz
Integrierte Vorsicherung
Leckstromfrei
Montageart
Hutschiene TH35
Baugröße
4 TE
Max. Leiterquerschnitt starr (ein-/mehrdrähtig)
10 qmm
Max. Leiterquerschnitt flexibel (feindrähtig)
10 qmm
Mit Fernmeldekontakt
Signalisierung am Gerät
optisch
Prüfklasse Typ 2
Schutzart (IP)
IP20
ETIM-Klasse
Überspannungsableiter für Energietechnik/Stromversorgung

Zubehör

Oft zusammen gekauft