Zajadacz EVI

Dehn 952330 DG M TNC DG M TNC ACI 275 FM

ACI 275 FM ÜS-Abl. Typ 2 DEHNguard M 3p

Artikel
5711684
Lieferanten Typ
DG M TNC ACI 275 FM
Lieferanten Artikel
952330

Beschreibung

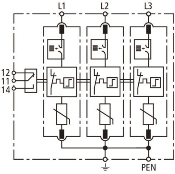
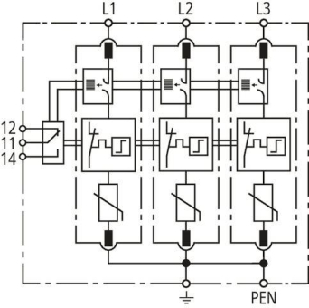
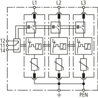
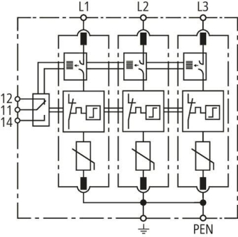
DEHNguard M TNC ACI 275 FM

Modularer Überspannungs-Ableiter mit Advanced-Circuit Interruption (ACI) für TN-C-Systeme
Höchste Dauerspannung: 275 V(50/60 Hz)
Nennableitstoßstrom: 20 kA
Schutzpegel L-PE/N-PE: ≤1,5/ kV

Hersteller-Seite

Artikeleigenschaften

Zolltarif-Nr.
85363030
Reach
2026-02-26 - Ja
Ursprungs-Land
DE
WEEE-Land
DE
WEEE-Nummer
11890845
Netzform DC
Netzform IT
Netzform TN
Netzform TN-C
Netzform TN-C-S
Netzform TN-S
Netzform TT
Netzform sonstige
Anzahl der Leiter (ohne Erde)
3
Nennableitstoßstrom (8/20)
20 kA
Nennspannung AC
230 V
Höchste Dauerspannung AC
275 V
Schutzpegel
1,5 kV
Kurzschlussfestigkeit (Isccr)
25 kA
Integrierter Kurzschlussschutz
Integrierte Vorsicherung
Leckstromfrei
Montageart
Hutschiene TH35
Baugröße
3 TE
Max. Leiterquerschnitt starr (ein-/mehrdrähtig)
35 qmm
Max. Leiterquerschnitt flexibel (feindrähtig)
25 qmm
Mit Fernmeldekontakt
Signalisierung am Gerät
optisch
Prüfklasse Typ 2
Schutzart (IP)
IP20
ETIM-Klasse
Überspannungsableiter für Energietechnik/Stromversorgung

Zubehör

Oft zusammen gekauft